DC08电磁式蜂鸣器专用驱动电路
- 价 格:
面议 /
PCS
- 供 应 地:江苏省常州市
- 发布公司:常州东村电子有限公司
- 产品型号:DC08
- 品 牌:DC 东村电子
- 发布日期:2016/5/5 8:55:58
- 联系人QQ:964766386

- 文档下载:DC08电磁式蜂鸣器驱动电路
详细说明
1.概述
DC-08 是一款适用于 SMD 贴片式电磁式蜂鸣器的专用驱动芯片,采用 FUSE 修正技术,可以根据客户的要求提供 2.4K、2.7K、3.0K 等输出频率。产品具有工作电压范围宽、温度特性好、输出频率稳定等特点,采用 SOT23-5 封装,无需任何外部元件,EN 使能端直接与单片机接口,以满足客户便携式、小型化的使用要求。
2.特点描述
采用 CMOS 工艺制作,极低的静态功耗电流;
工作电压范围:1.8~6.5V(典型工作电压:3.0V 5.0V);
输出典型频率:2.4K 、2.7K,3.0K (可以根据客户定制);
内置高精度振荡电路,采用先进的 FUSE 修正技术频率精度达到±1%;
驱动能力强,输出端有反峰吸收电路;
能支持超小型 SOT23-5 封装。
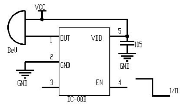
3.引脚和MARK标记描述
1 脚 OUT 输出 2 脚 GND 3 脚 NC 4 脚 EN 5 脚 VDD
4、电气参数 (所有电压以 GND 为参考﹐环境温度为 25℃。)
|
参数
|
符号
|
条件
|
最小值
|
典型值
|
最大值
|
单位
|
|
工作电压
|
VDD
|
|
1.8
|
|
6.5
|
V
|
|
静态电流
|
ISB
|
EN 接低电平
|
|
|
5
|
uA
|
|
输出电流
|
IO
|
@VDS=0.3V
VDD=3V
|
|
60
|
|
mA
|
|
固定输出频率
|
08A
|
EN 接高电平
|
-1%
|
2.4
|
+1%
|
KHz
|
|
固定输出频率
|
08B
|
EN 接高电平
|
-1%
|
2.7
|
+1%
|
KHz
|
|
固定输出频率
|
08C
|
EN 接高电平
|
-1%
|
3.0
|
+1%
|
KHz
|
5.典型应用 (单片机I/O 口直接与使能端连接,可以发出连续音或调制各种间断音。)

6、产品应用注意事项
客户在选择蜂鸣器时,必须考虑蜂鸣器的谐振频率和芯片输出频率相一致,工作电压符合使用规范。
7、封装和包装信息
DC-08 采用 SOT23-5 封装,每盘数量为 3000PCS。
常州东村电子有限公司致力于蜂鸣器驱动专用集成电路的设计、开发、应用。坚持自主创新、拥有自主知识产权,为客户创造价值将是我们始终贯穿的设计理念。经过2年多的努力,相继推出了以DC028、DC018、DC06、DC018A、DC07等为代表的具有自主知识产权的系列蜂鸣器专用驱动电路。在用户生产体验过程中,其产品直通率、生产效率和产品的长期可靠性有了很大的提高,得到了蜂鸣器行业内的广泛认可。目前该系列产品已经申请了多项发明专利和实用新型专利,同时仍有数款蜂鸣器专用驱动电路在研发中。
公司坚持以市场需求为导向,客户需求为己任,视每位客户为合作伙伴,尽可能的为客户提供最新的市场咨讯和最佳的产品服务,帮助客户以创新的技术快速开发出有竞争力的产品,“为客户创造价值,提供物美价廉的一站式配套服务”是我们的经营理念。
卖家名片Cards
卖家名片
联系人:周先生(技术部)
邮箱:sell@dcdzcn.com
免责声明:交易有风险,请谨慎交易,以免因此造成自身的损失,本站所展示的信息均由企业自行提供,内容的真实性、准确性和合法性由发布企业负责。本站对此不承担任何保证责任。