
产品描述:
NACHi 高速多用途搬运机器人拥有高速进行较大动作性能的搬运专用机器人LP系列,将纸箱等“装箱”产品或者食品、化学产品等“装袋产品”,以高速装载到托盘上。搭载有码垛功能,可应对各种装载模式,通过覆盖宽广区域,高速动作和丰富装载模式,支持物流工序的自动化。
产品特点:
高速码垛: 搬运130kg时1,500袋/h,搬运60kg时1,800袋/h(均为LP130时), 有LP130(可搬130kg),LP180(可搬180kg),LP210(可搬210kg), 这3种型号,灵活地将码垛系统引入。自由灵活的装载方式: 可自由配置各种形状和大小的装载物。通过种类繁多的抓手(选购件),能灵活处理小到大型工件的各种搬运作业。
节省空间: 不仅工作范围大,而且通过抑制干涉量来节省空间,实现紧凑,灵活的设备设计。操作简单: 初学者也容易理解的示教操作。通过对话型程序进行示教。自动生成程序。适用的控制装置: FD11
产品参数:
|
机器人型号 |
LP130 |
LP130F |
LP180-01 |
LP210 |
|||
|
结构 |
关节形 |
||||||
|
关节数 |
4 |
||||||
|
驱动方式 |
AC伺服方式 |
||||||
|
最 大 动 作 范 围 |
臂 |
J1 |
旋回1 |
±180° |
|||
|
J2 |
前后 |
+41 ~ -95° |
+40 ~ -94.5° |
+41 ~ -95° |
+41 ~ -95° |
||
|
J7 |
旋回2 |
_ |
|||||
|
J3 |
上下 |
+17 ~ -117° |
+17 ~ -116° |
+17 ~ -117° |
+17 ~ -117° |
||
|
手腕 |
J4 |
回转2 |
±360° |
||||
|
J5 |
弯曲 |
_ |
|||||
|
J6 |
回转1 |
_ |
|||||
|
最 大 速 度 |
臂 |
J1 |
旋回 |
130°/s |
145°/s |
115°/s |
105°/s |
|
J2 |
前后 |
115°/s |
100°/s |
||||
|
J7 |
旋回 |
— |
|||||
|
J3 |
上下 |
115°/s |
105°/s |
100°/s |
|||
|
手腕 |
J4 |
回转2 |
400°/s |
535°/s |
360°/s |
300°/s |
|
|
J5 |
弯曲 |
_ |
|||||
|
J6 |
回转1 |
_ |
|||||
|
最大可搬质量 |
手腕部 |
130kg |
180kg |
210kg |
|||
|
第1手臂部 |
25kg |
||||||
|
手腕容许 |
J4 |
回转 |
50kgm2 |
69kgm2 |
100kgm2 |
||
|
位置反复精度 ※2 |
±0.3mm |
±0.4mm |
|||||
|
设置方法 |
地面安装 |
||||||
|
设置条件 |
周围温度:0~45°C周围湿度:20~85% RH(无结露)安装面的容许振动:0.5G以下 |
||||||
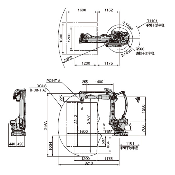
|
最大工作半径 |
3210mm |
||||||
|
本体质量 |
1,150kg |
||||||


