产品描述:
超高速弧焊多用途机器人的最终版通过追求加速性和减震性,推进轻型化、高刚性和高速控制等三个因素,实现节拍缩短30%,生产性得到飞跃性的提高。紧凑式机身可实现更高密度的设置,进而减轻了定期检查或零件更换等作业的负担,还提高了维护性。
产品特点:
领先的速度:使机器人实现最短的作业节拍。追求快速性和振动控制的轻量,高刚性的SRA。进而提高了全轴速度,也缩短了气割动作时间。由此使生产性得到了飞跃性的提高。使用方便的机器人: 使用方便。通过最新的机械元件和电机驱动控制,提高位置反复的精度和驱动系的可靠性通过紧凑式的本体,可进行更高密度的设置。简化了定期检查或零件更换等作业,也提高了维护性。节能,节源:通过比以前减轻20%的轻质的机器人本体以及采用最新的电机驱动控制的最佳速度控制,实现了电力比以前降低15%的目标。

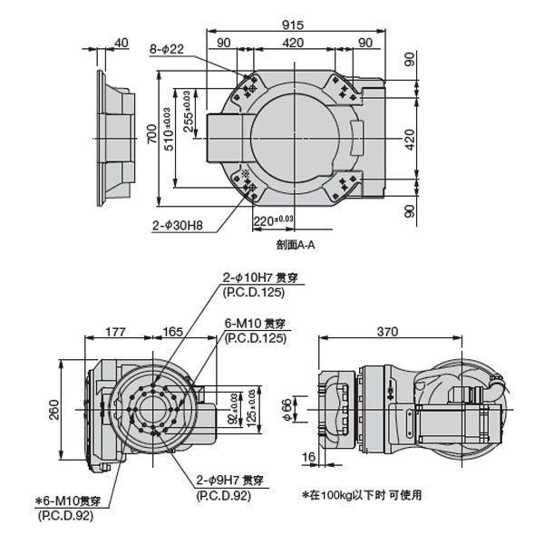
产品参数:
|
机器人型号 |
SRA133L-01 |
SRA166L-01 |
SRA166L-01A |
SRA166T-01 |
||||
|
结构 |
关节形 |
|||||||
|
关节数 |
6 |
|||||||
|
驱动方式 |
AC伺服方式 |
|||||||
|
最 大 动
作
围 [°]) |
臂 |
J1 |
旋回1 |
±180 |
||||
|
J2 |
前后 |
+60~ -80 |
+60~ -80 |
+60~ -80 |
+120~ -65 |
|||
|
J7 |
旋回2 |
- |
||||||
|
J3 |
上下 |
+150~-133.4 |
+150~-133.4 |
+150~-133.4 |
+210~ -106 |
|||
|
手腕 |
J4 |
回转2 |
±360 |
±360 |
±360 |
±360(±210) |
||
|
J5 |
弯曲 |
±135 |
±135 |
±135 |
±135(±120) |
|||
|
J6 |
回转1 |
±360 |
±360 |
±360 |
±360(±205) |
|||
|
最 大 速
度 [°/s]) |
臂 |
J1 |
旋回1 |
125 |
115 |
115 |
110 |
|
|
J2 |
前后 |
115 |
105 |
105 |
110 |
|||
|
J7 |
旋回2 |
- |
||||||
|
J3 |
上下 |
121 |
113 |
113 |
115 |
|||
|
手腕 |
J4 |
回转2 |
140 |
140 |
140 |
180 |
||
|
J5 |
弯曲 |
173 |
||||||
|
J6 |
回转1 |
260 |
||||||
|
可搬质量 |
手腕部 |
133 |
166 |
166 |
166 |
|||
|
手臂上 *1 |
45 (最大90) |
|||||||
|
容许静负荷扭矩 |
J4 |
旋转2 |
800 |
951 |
951 |
951 |
||
|
J5 |
弯曲 |
800 |
951 |
951 |
951 |
|||
|
J6 |
旋转1 |
400 |
490 |
490 |
490 |
|||
|
容许最大 |
J4 |
旋转2 |
76 |
88.9 |
88.9 |
88.9 |
||
|
J5 |
弯曲 |
76 |
88.9 |
88.9 |
88.9 |
|||
|
J6 |
旋转1 |
38 |
45 |
45 |
45 |
|||
|
最大工作半径 (mm) |
2,951 |
2,951 |
2,951 |
3153 |
||||
|
位置反复精度 *3(mm) |
±0.15 |
±0.15 |
±0.15 |
±0.1 |
||||
|
周围温度 (°C) |
0~45 |
|||||||
|
设置条件 |
地面安装 |
地面安装 |
地面安装 |
架上安装 |
||||
|
本体质量 (kg) |
980 |
980 |
980 |
1210 |
||||


