您好,欢迎来到商国互联!

收藏本站

商国互联

点击查看优质供应商

当前位置:商国互联首页> 产品库 > 电工电气、照明 > 电工电器成套设备 > 配电装置

鞍山液体起动柜MHLS高压液态软启动装置 

  • 价 格: 面议 /
  • 供 应 地:湖北省襄樊市
  • 发布公司:湖北省兆复安电气自动化科技有限公司
  • 产品型号:MHLS-1500/10
  • 品 牌:兆复安
  • 发布日期:2019/4/8 12:35:22
  • 联系人QQ:2427967001 点击这里给我发消息

详细说明

产品说明Explain

公司简介Content


液体起动柜 MHLS-2500 高压液态软启动装置

1概述

  MHLS系列高压交流电动机液态软起动装置适用于额定电压为3~10KV大、中型同步或异步鼠笼式电动机软起动。

  该装置与传统的起动装置相比,主要性能有如下特点:

●起动电流小而平滑、无冲击,显著降低电网压降,保证电网的可靠运行,有效保护电动机及传动机械的安全起动。

●具备完善的报警提示功能和电动机保护功能。

●根据性能要求可采取一般控制或采用PLC控制,可靠性高。

●采用先进的控制技术,使电动机起动过程的控制响应更快,精度更高。

●电动机起动完成后,实施有效的运行监控。

●完善的报警提示功能,通信功能、网络功能,可方便的实现中控室集中控制。

 

2工作原理

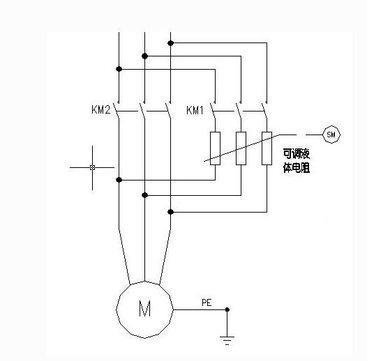
  该装置是在电动机定子回路中串入可变电阻的一种降压起动装置,即随着主电动机的起动,装置自动改变电阻的阻值而使电机端电压均匀提高的一种起动方式。

  主机起动结束后,软起动装置从主回路中完全脱离开或处于零电位,电阻值自动恢复到初始状态,为下次起动作好准备。

 

3型号说明


4主要技术参数

额定电压(KV有效值)

3

6

10

最高电压(KV有效值)

3.6

7.2

12

电阻箱工频耐压(KV)(有效值)

相对地

18

23

30

同相间

12

15

18

最小电气间隙(mm

75

100

125

起动电流/额定电流(Iq/Ie

1.5~3.5(现场可调)

液阻正常工作温度(℃)

0~70

起动时间(s

10~60~120(现场可调)

防护等级

IP20IP30

连续起动次数(次)

1250KW

2~4(与负载情况有关)

1250KW

2~3(与负载情况有关)

注:起动电流在负载系统阻力矩允许的情况下可控制到最小

 

5使用环境条件:

1)   环境温度:最高气温+40℃,最低气温0℃;

2)   空气相对湿度不超过90%

3)   海拔高度不大于1000m

4)   地面倾斜度不大于5°;

5)   安装地点无火灾、爆炸危险、化学腐蚀及剧烈震动;

注:若有特殊使用条件,请在订货时注明。

 

6典型一次方案

 

7符合标准

  高压开关设备和控制设备标准共用技术要求   GB/T11022-1999

   3-35KV交流金属封闭开关设备             GB3906-1991

  高压交流电动机液态软起动装置             Q/MHLS-2016

8订货须知
        订货时请提供下列资料:
       
电动机型号、额定功率、额定电压、定子绕组接法(星点可否打开),提供电动机拖动负载特性、起动柜与星点短接柜或高压起动控制柜的进出线方式、设备颜色等和其它特殊要求。

 


卖家名片Cards

卖家名片

湖北省兆复安电气自动化科技有限公司

联系人:商金宸(销售经理)

手机:18271228725

邮箱:18271228725@139.com

地址:湖北省襄樊市樊城区中航大道南站

电话: 传真:

旺铺

免责声明:交易有风险,请谨慎交易,以免因此造成自身的损失,本站所展示的信息均由企业自行提供,内容的真实性、准确性和合法性由发布企业负责。本站对此不承担任何保证责任。
商国互联供应商 品质首选

湖北省兆复安电气自动化科技有限公司

  • 联系人:商金宸(销售经理)
  • 联系人QQ:2427967001 点击这里给我发消息
  • 手机: 18271228725
  • 电话:
  • 会员级别:试用会员
  • 认证类型:企业认证
  • 企业证件:已通过企业认证 [已认证]
  • 认证公司:
  • 主营产品:起动柜 开关柜 补偿柜 调速柜 直流屏 励磁柜 电容柜 变频柜 进相器 水阻柜 动力柜 操作台 箱变 控制箱 DCS 中频电源(炉)
  • 公司所在地:湖北省襄樊市