您好,欢迎来到商国互联!

收藏本站

商国互联

点击查看优质供应商

当前位置:商国互联首页> 产品库 > 电工电气、照明 > 电工电器成套设备 > 其他电工电器成套设备

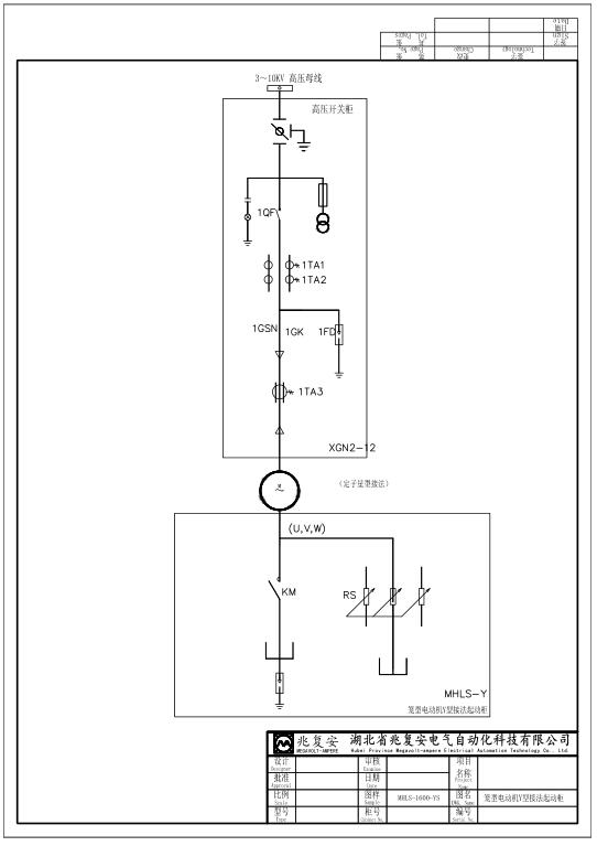
离心风机电机水阻柜兆复安MHLS16高压电机起动水阻柜 

  • 价 格: 面议 /
  • 供 应 地:湖北省襄樊市
  • 发布公司:湖北省兆复安电气自动化科技有限公司
  • 产品型号:MHLS-1600/10
  • 品 牌:兆复安
  • 发布日期:2018/7/29 12:19:13
  • 联系人QQ:2427967001 点击这里给我发消息

详细说明

产品说明Explain

公司简介Content


离心风机电机水阻柜

湖北兆复安电气的离心风机电机水阻柜不仅使用在离心风机设备上,而且离心风机电机水阻柜专门针对高电压、大功率笼型/同步电动机离心风机负载起动电流大,冲击电网,难以配套起动设备等难题,经过数年攻关研发成功。适用于额定电压3kV10kV、额定功率20040000kW的大、中型鼠笼式或同步电动机的软起动与保护,尤其是电网容量不足的企业。离心风机电机水阻柜设备订购请详询 商工 18271228725

离心风机电机水阻柜技术性能特点说明

 


根据电机拖动理论,在电动机定子回路串入一特制液体电阻,该电阻在电机起动初始时刻自动投入,阻值在预定起动时间内均匀无级减小,并在阻值几近为0时刻切除,从而使主机电流及电机转速无级匀滑变化,实现电机均匀上升、平稳起动。

 

2.离心风机电机水阻柜主要技术参数

序号

名称

单位

数值或说明

备注

1

额定电压(有效值)

kV

6

10

 

2

电压(有效值)

kV

6.9

11.5

 

3

一分钟工频耐受电压

(有效值)

kV

30/32

38/42

相对地

15

18

同相间

4

最小电气间隙

mm

100

125

 

5

起动电流/额定电流(Iq/Ie)

A

1.53.5

现场可调

6

液阻正常工作温度

070

 

7

起动时间

s

10120

现场可调

8

连续起动次数

23

 

 

3.离心风机电机水阻柜技术性能特点

1.     可预测:离心风机电机水阻柜运用具有国内领先水平的专用计算机仿真软件对电动机起动全过程模拟仿真,达到对电动机起动过程、性能的事先预测与分析

2.     可调整:离心风机电机水阻柜起动时间、液态电阻阻值等参数可根据工况现场调整

3.     可控制:液态电阻阻值可按电磁转矩、较小起动电流改变,起动过程完全受控,同时电网起动压降也得到有效控制

4.     可重复:离心风机电机水阻柜初始阻值可根据环境温度、上次起动液温自动检测、校正,保证多次起动性能的稳定性和可重复性

5.     控制回路采用德国西门子PLC进行逻辑程序控制,控制可靠

6.     离心风机电机水阻柜可实现远程通讯及计算机集中控制,满足DCS系统控制要求

7.     采用电阻极间可移动式(柔性传动系统)和专利电阻(非板状极板),确保起动过程平滑,起动运行切换二次无冲击

8.     增强型(MHLS):采用电流自动闭环控制技术,响应速度更快、精度更高;起动电流可预置,可实现恒电流软起动

9.     引入起动电流、转速跟踪反馈系统,在电动机起动过程中实时自动检测定子电流,根据电流大小,自动调节控制装置,实现恒电流软起动,并使起动过程化;

10.  可根据工况要求预置起动电流,满足不同工况、负载的起动要求;

11.  采用先进的控制技术,使得起动时极板运动及限流响应速度更快、精度更高。

12.  智能型(MHLS-E):采用了全新的设计理念,拥有良好的人机界面和人机对话功能,在起动性能、综合保护、控制操作等方面具备先进的智能化处理功能

离心风机电机水阻柜具备MHLS-EMHLS-D所有功能;通过人机界面,观察、操作、记录非常方便;适时电流曲线,实时网压曲线,直观、明了;数据库全面,可随时查询、调用各类状态、数据(打印、显示),电机运行的历史曲线使电机运行过程一目了然;电机起动完成后,对电机及负载运行实施有效监控;具有完善的报警、提示功能,通信功能、网络功能。

1.     若工况有要求(如泵类负载),离心水泵电机水阻柜可实现软停车

2.     离心风机电机水阻柜安全保障措施完备,运行可靠

3.     有液位检测与显示、温度检测与显示、起动时间超长、极板超行程、综合报警等报警功能并具备可靠的连锁装置; 

4.     电液箱等严格按照国家标准进行出厂检测,接地和避雷保护措施;

5.     同开关柜相配合,有过流、速断、差动、零序、欠压、短路、雷击等保护;

6.     主机起动结束后,液阻部分自动切除、极板自动复位,装置及电液箱处于待机和零电位状态,为下次起动作好准备。

7.     与上位机DCS联络信号采用硬接线,有如下信号引至上位机DCS:备妥信号、运行信号、综合故障信号(液位低、液温高、起动超时、液体电阻保护跳闸等,并能在就地通过触摸屏确定故障类型)。

8.     能够接收DCS提供的DCS远方启、停信号,装置表面有远方/就地旋钮。

9.     液体电阻水箱按照国家标准进行出厂检测和严格的接地及避雷保护措施。

10.  装置可恢复性好,水箱热容量大,能连续起动,不会烧毁。如由电阻液溶剂蒸发,仍可加入清水恢复其性能。

11.   对电网不会产生高次谐波污染

12.  离心风机电机水阻柜本系统主起动设备对工况及电网的环境要求不高,运行、维护成本低。

13.  离心风机电机水阻柜结构简单,系统自身集成控制发出联机信号,自动化程度高,一般技术人员进行短期培训即可自行操作维护,操作维护安全、方便。

 


卖家名片Cards

卖家名片

湖北省兆复安电气自动化科技有限公司

联系人:商金宸(销售经理)

手机:18271228725

邮箱:18271228725@139.com

地址:湖北省襄樊市樊城区中航大道南站

电话: 传真:

旺铺

免责声明:交易有风险,请谨慎交易,以免因此造成自身的损失,本站所展示的信息均由企业自行提供,内容的真实性、准确性和合法性由发布企业负责。本站对此不承担任何保证责任。
商国互联供应商 品质首选

湖北省兆复安电气自动化科技有限公司

  • 联系人:商金宸(销售经理)
  • 联系人QQ:2427967001 点击这里给我发消息
  • 手机: 18271228725
  • 电话:
  • 会员级别:试用会员
  • 认证类型:企业认证
  • 企业证件:已通过企业认证 [已认证]
  • 认证公司:
  • 主营产品:起动柜 开关柜 补偿柜 调速柜 直流屏 励磁柜 电容柜 变频柜 进相器 水阻柜 动力柜 操作台 箱变 控制箱 DCS 中频电源(炉)
  • 公司所在地:湖北省襄樊市