
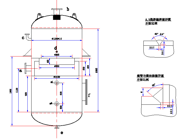
排污扩容器
青岛信泰压力容器有限公司是国家质量技术监督局(原由国家劳动局)核准的D1、D2级(一、二类)压力容器设计、制造单位是目前国内D1、D2级(一、二类)空分设备(储气罐)生产商。能够生产容积0.3M3—50.0M3,共100多个规格的系列化立式储气罐,销售网络普及全国20多个省市的近百家经销商。同时与全国数十家压缩机厂配套生产空压机用压力容器。除此之外,按用户需求(来图来样)承接其它各种DI.DZ级(一.二类)压力容器的设计、制造。,工厂占地面积达40000多平方米,主车间占地面积达10000多平方米。现有员工200多人,其中工程技术人员30多名,分别负责质量保证体系中设计、工艺、材料、焊接、探伤、检验.理化、计量等各个职能部门。严肃岗位纪律,保证每道加工质量。经过多年努力,已经实现了产品系列化、生产规模化、检测规范化;并逐步向机械化、自动化方向发展。信泰人以一流产品质量.一流优质售前售后服务,赢得广大用户认同,实现了储气罐的销量及市场占有率等几个同行第一在客户中一向以可靠的质量和良好的信誉著称。
储气罐、蒸汽储气罐.分气缸.缓冲罐.脱硫罐.连续排污扩容器.定时排污扩容器.分水器.氮气储气罐、空气储气罐、压缩机储气罐、不锈钢储气罐、高压储气罐, 青岛压力容器有限公司制造销售压缩空气储气罐、不仅能储存一定量的气量,且输出空气压力比较平稳,同时能降低气路中的温度,除去一部分水、灰尘、杂质。储气罐采用高品质材料作原料,利用先进的焊接技术作业,能通过任何安全检查。储气罐主要作用:减弱活塞式空气压缩机排出的气流脉动,提高输出气流的连续性及压力稳定性,


*您的姓名:
*联系手机:
固话电话:
E-mail:
所在单位:
需求数量:
*咨询内容: