您好,欢迎来到商国互联!

收藏本站

商国互联

点击查看优质供应商

当前位置:商国互联首页> 供应信息 > 机械及行业设备 > > 离心泵

鱼缸过滤泵 

鱼缸过滤泵

  • 品 牌:ZKJD
  • 价 格:面议 /
  • 供 应 地:广东省深圳市
  • 包装说明:普通
  • 产品规格:
  • 运输说明:
  • 交货说明:快递
  • 发布日期:2016/8/1 9:44:49
  • 联系人QQ:2933530794 点击这里给我发消息

详细说明

详细说明Explain

鱼缸过滤泵

参数规格

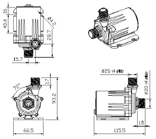
1.泵体尺寸及重量:115.5mm*66.5mm*93.2mm

2.净重:650g

3.水泵出水口外径:20mm(4分外螺纹)

4.水泵进水口外径:20mm(4分外螺纹)

5.水泵壳体材料:PA66+30%GF

6. 最大负载电流:额定电流±0.2

7.使用介质:水,油,以及其他酸碱溶液(以试验为准)

8.流体工作温度;:-10-100℃(液体未冻结状态下)

9.工作环境温度:-10-100℃

10.可储存温度:-10-100℃

11. 噪音:<40dB(有水运作下)

12.防水等级:IP68(可潜水安装)

13.供电方式:太阳能板,蓄电池,适配器,电源模块

14.使用寿命:连续20000小时以上

特点:

1、体积小,效率高,寿命长,噪音低;

2、陶瓷轴芯,碳纤维石墨轴套超级耐磨;

3、死亡率低于0.5%

4、无碳刷无磨损,采用电子换向,

5、水电隔离,环氧树脂灌封,完全防水,防漏电;

 

尺寸图:

 undefined

参数表 :

型号

电压范围

额定电压

最大负载电流

最大扬程

开口流量

最大功耗

V (dc)

  V (dc)

A

m

L/H

W

WIN-151008

6-14v

12

4.0

8

1000

48

WIN-251515

10-24v

24

4.0

15

1500

96

 

流量曲线图:

 

安装方式:

 undefined
undefined

注意事项:

1.选型时务必给出使用环境:如连续工作时间、水温、介质等

2.上述电流为水泵的开口电流即当水泵直接放入水中不接任何系统时的电流,也为水泵最大电流,当水泵接上系统之后水泵的工作电流会降低到最大负载电流的70%-85%。

3.水泵的扬程为最大送水高度,即到达最大扬程点的流量为零。

4.水泵的流量为水平流量,即水平抽水的流量。

 

应用范围

电动汽车散热系统,自动化设备水循环,水制冷等电器,饮水机,卫浴产品,碎纸机,无土栽培,水暖床垫,空调抽水,水族鱼缸,桌面工艺品,足浴盆,水暖床垫,热水器,电脑水冷,水冷风扇,医疗器械,制药系统,化工,循环系统,冷却散热系统,制冷系统,水冷空调,水冷风扇,移动洗澡机,太阳能喷泉,太阳能循环系统,家庭增压系统,别墅供水系统,小型灌溉系统, 水处理系统,小型供水系统,汽车循环系统,汽车加热系统,机床,家用电器,厨房电器,卫浴产品, 热水循环系统。

 

无刷直流水泵(新型磁力隔离泵)的优点

  磁力泵是一种通过磁力传动来实现无接触力矩传递从而以静密封取代动密封,使泵达到完整,解决了“跑、冒、滴、漏”问题,消除了炼油化工行业易燃、易爆、有毒、有害介质通过泵密封泄漏的安全隐患,有力地保证了职工的身心健康和安全生产。

  与电机式直流无刷水泵相比,磁力泵具有以下优点:

  1.泵轴由动密封变成封闭式静密封,彻底避免了介质泄漏。可以水陆两用,并且完全防水。

  2.无需独立润滑和冷却水,降低了能耗。

  3.功耗小、效率高,且具有阻尼减振作用,减少了电动机振动对泵的影响和泵发生气蚀振动时对电动机的影响。

  4.过载时转子会在陶瓷轴上打滑,对电机、泵有保护作用

    5.无刷直流水泵采用了电子组件换向,无需使用碳刷换向,采用高性能耐磨精密陶瓷轴及石墨套,轴套通过注塑与磁铁连成整体也就避免了磨损,因此无刷直流磁力式水泵的寿命大大增强了。磁力隔离式水泵的定子部分和转子部分完全隔离,定子和电路板部分采用环氧树脂灌封,100%防水,转子部分采用永磁磁铁,水泵机身采用环保材料,噪音低,体积小,性能稳定。可以通过定子的绕线调节各种所需的参数,可以宽电压运行。

  优点:寿命长,噪音低可达35dB以下,可用于热水循环。电机的定子和电路板部分采用环氧树脂灌封并与转子完全隔离,可以水下安装而且完全防水,水泵的轴心采用高性能精密钢轴,精度高,抗震性好。

无刷直流水泵(磁力泵)工作原理 

  无刷直流磁力驱动泵的磁铁与叶轮注塑成一体组成电机的转子,转子中间有直接注塑成型的轴套,通过高性能陶瓷轴固定在壳体中,电机的定子与电路板部分采用环氧树脂胶灌封于泵体中,定子与转子之间有一层薄壁隔离,无需配以传统的机械轴封,因而是完全密封。电机的扭力是通过矽钢片(定子)上的线圈通电后产生磁场带动永磁磁铁(转子)工作运转。 对磁体进行n (n为偶数) 级充磁使磁体部分相互组成完整藕合的磁力系统。当定子线圈产生的磁极与磁铁的磁极处于异极相对,即两个磁极间的位移角Φ=0,此时磁系统的磁能最低;当磁极转动到同极相对,即两个磁极间的位移角Φ=2π/n,此时磁系统的磁能最大。去掉外力后,由于磁系统的磁极相互排斥,磁力将使磁体恢复到磁能最低的状态。于是磁体产生运动,带动磁转子旋转。

  无刷直流水泵通过电子换向,无需使用碳刷,磁体转子和定子矽钢片都有多级磁场,当磁体转子相对定子旋转一个角度后会自动改变磁极方向,使转子始终保持同级排斥,从而使无刷直流磁力隔离泵有较高的转速和效率。

  磁力隔离泵的定子与转子完全隔离,完全避免了传统的电机式无刷直流水泵存在的液体泄漏问题。而且可以完全潜水使用并且完全防水,有效的提高了泵的使用寿命及性能。


 

卖家名片Cards

卖家名片

深圳市中科机电有限公司

联系人:林健(销售)

手机:18029058364

邮箱:18316623825@163.COM

地址:广东省深圳市宝安区福永大洋开发区福安第三工业区四栋二楼

电话: 传真:

旺铺

在线询盘/留言Online Inquiry

  • *您的姓名:

  • *联系手机:

  • 固话电话:

  • E-mail:

  • 所在单位:

  • 需求数量:

  • *咨询内容:

免责声明:交易有风险,请谨慎交易,以免因此造成自身的损失,本站所展示的信息均由企业自行提供,内容的真实性、准确性和合法性由发布企业负责。本站对此不承担任何保证责任。
商国互联供应商 品质首选

深圳市中科机电有限公司

  • 联系人:林健(销售)
  • 手机:18029058364
  • 电话:
  • 会员级别:免费会员
  • 认证类型:企业认证
  • 企业证件:已通过企业认证 [已认证]
  • 认证公司:
  • 主营产品:微型无刷直流泵 鱼缸循环泵 微型潜水泵 微型磁力隔离泵 水族泵 汽车循环泵 热水循环泵
  • 公司所在地:广东省深圳市