
DC40A-2460静音水泵,环保设备水泵,冷水机水泵
电位器调速接线方法:(非调速水泵没有引出调速信号线)
电动汽车散热系统,自动化设备水循环,水制冷等电器,饮水机,卫浴产品,碎纸机,无土栽培,水暖床垫,空调抽水,水族鱼缸,桌面工艺品,足浴盆,水暖床垫,热水器,电脑水冷,水冷风扇,医疗器械,制药系统,化工,循环系统,冷却散热系统,制冷系统,水冷空调,水冷风扇,移动洗澡机,太阳能喷泉,太阳能循环系统,家庭增压系统,别墅供水系统,小型灌溉系统, 水处理系统,小型供水系统,汽车循环系统,汽车加热系统,机床,家用电器,厨房电器,卫浴产品, 热水循环系统
>

序号
类别
规格
1
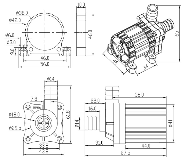
泵体尺寸及重量
87.5mm*61.8mm*43.8mm;220g
2
安装尺寸
87.5mm*65mm*56mm;
3
水泵出水口外径
14mm
4
水泵进水口外径
14mm
5
驱动方式
无刷,磁力隔离
6
水泵壳体材料
PES/SPS/PPS/PA66+30%GF (可选配)
7
使用方式
连续使用
8
使用介质
水,油,以及其他酸碱溶液
9
最大工作温度
60℃
10
功耗
2.5W~28.8W
11
额定电压
12Vdc或 24Vdc
12
使用电压
5Vdc ~ 14Vdc 或5Vdc ~ 26Vdc
13
最大负载电流
1.2A
14
最大流量
14L/MIN
15
最大静态扬程
6M
16
噪音
<40dB
17
防水等级
IP68(可潜水安装)
18
寿命
大于30000小时
19
供电方式
太阳能板,蓄电池,适配器,电源模块
20
保护功能
可选配缺水保护、空转保护、堵转保护、卡死保护
21
调速功能(调功率)
可选配PWM调速,0~5V模拟信号调速,电位器调速
22
水泵特点
1、体积小,效率高,寿命长,噪音低;
2、陶瓷轴芯,碳纤维石墨轴套超级耐磨;
3、死亡率低于0.5%
4、无碳刷无磨损,采用电子换向,
5、水电隔离,环氧树脂灌封,完全防水,防漏电;
型号
电压
最大负载电流
最大扬程
开口流量
最大功耗
V (dc)
A
m
L/H
W
DC40A-1220
12
0.45
2.0
400
5.4
DC40A-1230
12
0.80
3.0
500
9.6
DC40A-1240
12
1.10
4.0
600
13.2
DC40A-1245
12
1.20
4.5
620
14.4
DC40A-1850
18
1.20
5.0
720
21.6
DC40A-2430
24
0.40
3.0
500
9.6
DC40A-2440
24
0.65
4.0
600
15.6
DC40A-2450
24
0.90
5.0
720
21.6
DC40A-2460
24
1.20
6.0
840
28.8
选型注意事项
调速接口中的红线为正5V,黄色线为调速信号线,黑线为地线,红色和黑色线分别接电位器的两端,黄线接电位器的中间,这样旋动电位器可使黄线的电压在0-5V之间滑动,从而采用电位器实现了0 -5V 之间的调速。切勿将红线和黑线碰到一起,这样容易导致电路板烧坏,电位器调速和VR(0-5V)调速是一样的,如果采用VR调速则只需要将电位器取下,按照VR调速方法接线即可。
PWM或者模拟信号VR(0-5V)调速的接线方法:
PWM(50-800HZ信号幅值为5v)或者模拟信号(0-5V)调速只需要将调速接口中的黄色线接到外界控制系统的调速信号发生端口(PWM或者0-5V),黑线接到系统地线,红线悬空即可。
型号
电压(DC)
电流范围
最大扬程
最大流量
进水口径
出水口径
调速
空转/卡死保护
DC30A
5~12V
0.1~0.35A
3m
4L/MIN
8mm
8mm
定做
选配
DC40
6~24V
0.15~1.2A
8m
11L/MIN
14mm
10mm
PWM/0~5V/手动
选配
DC40A
6~24V
0.15~1.2A
6m
14L/MIN
14mm
14mm
PWM/0~5V/手动
选配
DC40C
6~24V
0.15~1.2A
6m
15L/MIN
4分螺纹
4分螺纹
PWM/0~5V/手动
选配
DC40D
6~24V
0.15~1.2A
8m
10L/MIN
10mm
10mm
PWM/0~5V/手动
选配
DC40F
6~24V
0.15~1.2A
6m
16L/MIN
4分螺纹
4分螺纹
PWM/0~5V/手动
选配
DC40H
6~24V
0.15~1.2A
11m
7.5L/MIN
11mm
8mm
PWM/0~5V/手动
选配
DC50
6~24V
0.15~3.8A
7m
44L/MIN
22mm
22mm
PWM/0~5V/手动
选配
DC50A
6~24V
0.15~3.8A
5m
60L/MIN
27mm
27mm
PWM/0~5V/手动
选配
DC50B
6~24V
0.15~3.8A
13m
30L/MIN
20mm
20mm
PWM/0~5V/手动
选配
DC50C
6~24V
0.15~3.8A
8m
42L/MIN
4分螺纹
4分螺纹
PWM/0~5V/手动
选配
DC50D
6~24V
0.15~3.8A
8m
42L/MIN
20mm
20mm
PWM/0~5V/手动
选配
DC50E
6~24V
0.15~3.8A
15m
25L/MIN
4分螺纹
4分螺纹
PWM/0~5V/手动
选配
DC50F
6~24V
0.15~3.8A
15m
25L/MIN
4分螺纹
4分螺纹
PWM/0~5V/手动
选配
DC50G
6~24V
0.15~3.8A
8m
40L/MIN
4分螺纹
4分螺纹
PWM/0~5V/手动
选配
DC50K
6~24V
0.15~3.8A
16m
23L/MIN
14mm
14mm
PWM/0~5V/手动
选配
DC50W
24V
1~3.8A
造浪
28000L/H
潜水
58mm
变频调速控制
选配
DC50Q
24V
1~3.8A
5m
5000 L/H
1寸螺纹
1寸螺纹
变频调速控制
选配
DC60Q
24V
1~5A
5m
12000L/H
1.2寸螺纹
1.2寸螺纹
变频调速控制
选配
备注:

联系人:陈霞(销售部)
手机:18129827629
邮箱:smalldcpump@szzksj.com
*您的姓名:
*联系手机:
固话电话:
E-mail:
所在单位:
需求数量:
*咨询内容: