您好,欢迎来到商国互联!

收藏本站

商国互联

点击查看优质供应商

当前位置:商国互联首页> 供应信息 > 机械及行业设备 > 阀门 > 底阀

滚珠丝杠专用轴承座型号 

滚珠丝杠专用轴承座型号

  • 品 牌:
  • 价 格:面议 /
  • 供 应 地:上海上海市
  • 包装说明:
  • 产品规格:
  • 运输说明:
  • 交货说明:
  • 发布日期:2016/9/13 11:24:40
  • 联系人QQ:2785689363 点击这里给我发消息

详细说明

详细说明Explain

滚珠丝杠专用轴承座型号
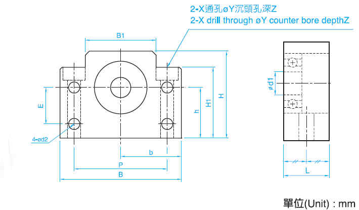
    滚珠丝杆有自己专用的轴承座,但是具体型号好多朋友都不太清楚,今天小编就来给大家总结一下滚珠丝杠专用轴承座型号。
    滚珠丝杠专用轴承座,规格型号: BK10,BK12,BK15,BK17,BK20,BK25,BK30,BK35,BK40;BF10,BF12,BF15,BF17,BF20,BF25,BF30,BF35,BF40,EK06,EK08,EK10,EK12,EK15,EK20,EF06,EF08,EF10,EF12,EF15,EF20,FK06,FK08,FK10,FK12,FK15,FK17,FK20,FK25,FK30,FF06,FF10,FF12,FF15,FF17,FF20,FF25,FF30,WBK17DF,WBK20DF, WBK25DF ,WBK25DFD WBK30DF,WBK30DFD,WBK35DF,WBK35DFD,WBK40DF,WBK40DFD等系列产品。丝杠专用轴承座内装NSK轴承,性能及尺寸与国际品牌THK,NSK,KURODA,SYK,Rexroth,GMT等通用,可替代。

    滚珠丝杠专用轴承座型号小编已经给大家总结完了,如果有记不住的朋友可以随时联系小编,向小编咨询,小编的QQ:1820042377,最后如果有需要轴承的朋友可以联系上海云捷滚动轴承有限公司http://www.sh-hiwin.cn/,他家轴承质量保障,价格优惠,服务态度好,而且各种轴承的型号都有哦!喜欢的朋友快拿起电话与他们吧!联系电话18201703856



 

卖家名片Cards

卖家名片

上海云捷滚动轴承有限公司

联系人:崔经理(经理)

手机:18037929688

邮箱:2785689363@qq.com

地址:上海上海市上海市浦东新区航头镇沪南公路6263号

电话: 传真:

旺铺

在线询盘/留言Online Inquiry

  • *您的姓名:

  • *联系手机:

  • 固话电话:

  • E-mail:

  • 所在单位:

  • 需求数量:

  • *咨询内容:

免责声明:交易有风险,请谨慎交易,以免因此造成自身的损失,本站所展示的信息均由企业自行提供,内容的真实性、准确性和合法性由发布企业负责。本站对此不承担任何保证责任。
商国互联供应商 品质首选

上海云捷滚动轴承有限公司

  • 联系人:崔经理(经理)
  • 手机:18037929688
  • 电话:
  • 会员级别:免费会员
  • 认证类型:企业认证
  • 企业证件:已通过企业认证 [已认证]
  • 认证公司:
  • 主营产品:机床 雕刻机械 电子机械 印刷机械 包装机械 切割机械 机器人 木工机械 立体装卸 起重机械 拉伸机械 医药机械 装配机械 滑轨滑块 直线导轨 滚珠丝杠
  • 公司所在地:上海上海市