您好,欢迎来到商国互联!

收藏本站

商国互联

点击查看优质供应商

当前位置:商国互联首页> 供应信息 > 环保、水处理 > 给水设备 > 其他给水设备

便拆式管道离心泵(ISGB、IRGB、IHGB、YGB) 

便拆式管道离心泵(ISGB、IRGB、IHGB、YGB)

  • 品 牌:上海超盾
  • 价 格:面议 /
  • 供 应 地:上海上海市
  • 包装说明:
  • 产品规格:
  • 运输说明:
  • 交货说明:
  • 发布日期:2016/4/20 11:27:48
  • 联系人QQ:2880622905 点击这里给我发消息

详细说明

详细说明Explain

便拆式管道离心泵(ISGB、IRGB、IHGB、YGB)

便拆式管道离心泵(ISGB、IRGB、IHGB、YGB)

 

产品概述

ISGB型便拆式管道离心泵是在ISG基础上结合美国和瑞士先进技术开发成功的一种结构新颖、技术先进的发明专利产品。该系列产品经国家泵类产品质量检测中心镇江分中心检测合格,并严格按照国际标准ISO2858和最新国家管道离心泵标准GB/T53058-93进行设计制造。

该立式泵特别是在整体结构上进行大胆突破设计,采用独立轴承、泵轴支撑,解决了原来立式泵靠电机轴承支撑的不足之处;采用最优秀水力模型的叶轮,消除了原立式泵轴向力大的不足之处;电机采用Y系列标准通用电机,解决原立式泵加长轴电机配套更换难的问题;同时100%的便拆结构解决了更换大功率水泵的轴承、机械密封、叶轮、泵轴的难题。

该泵与国内同类产品相比,具有运转更平稳、使用寿命长、配套更方便、维护保养更轻松等无可代替的优点。在立式历史背景系列产品中属国内首创,各项技术居国内领先,是替代ISG型立式泵、IS型离心泵、S型双吸泵等常规各种离心泵的最理想产品。

产品特点

1、立式结构,安装调试方便,独特设计的电机和泵体采用联接,同心度高、加工精度高,占地面积大大减烽,缩减了建筑投资。底脚稳固、结构紧凑,精美的铸造和外观处理赋予立式离心泵新的美感,使产品焕发艺术的魅力,可以和国外著名厂家立式泵媲美。

2、配用国内著名厂家生产的低速Y系列标准通用电机,运行平稳、噪音极低。

3、轴承采用国际著名品牌精密轴承,精度高、可靠性好、寿命长。

4、叶轮采用90年代最优秀可自动平衡轴向力的水力模型,使得泵轴承和机械密封使用寿命大大延长。

5、电机轴承座内的轴承都配有加油孔和放油孔,对轴承的维护保养十分方便。

6、可拆卸夹壳联轴器,使泵起动无振动、无噪音,旋转部件设有可靠的安全防护罩,安全性极好。

7、机械密封采用不锈钢、碳化钨、氟橡胶等材料制成,耐高温、高压、运行寿命长,无渗漏,对轴无磨损,保证工作环境整洁。

8、泵盖结构设计独特,只要卸下夹壳联轴器,泵盖螺母,即可十分轻便取出轴承座、泵盖、泵轴、叶轮等组合件,进行更换机械密封和叶轮,而不必拆卸电机、泵体和管道,维修方便快捷。

ISGB型号意义

主要用途

ISGB型立式离心泵:主要用于工业、城市高层建筑给水,消防管道增压,暖通空调冷热水循环,远距离输水以及生产工艺循环增压输送。

IRGB型立式热水泵:适用于冶金、化工、纺织、本材加工、造纸及饭店、浴室、宾馆等锅炉高温热水增压循环输送及城市采暖系统供热用泵。

1、高层建筑增压送水

2、工厂系统输送

3、水处理系统加压

4、中央空调冷热水循环

5、锅炉系统输送

6、游泳池输水

7、工艺流程中增压循环

工作条件

1、ISGB型泵电机0.75KW以上泵系统最高工作压力为1.6MPa,即泵吸入口压力扬程≤1.6MPa,泵静压试验压力不2.5MPa,电机0.75KW以下泵系统最高压力0.8MPa.

2、订货时请注明系统工作压力,泵系统工作压力大于1.6MPa时,应在订货时另时提出,以便在制造时,泵的过流部分和联接部分采用铸钢材料.

3、适用介质为清水或物理化学性质类似于水的液体,ISGB型泵使用介质温度不起过85℃,IRGB型热水循环泵使用温度不超过120℃.

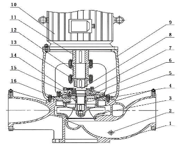
结构说明




1

泵体

5

排气阀

9

支架

13

泵联轴器

2

放水塞

6

轴承体

10

电机

14

油杯

3

叶轮

7

轴承

11

电机联轴器

15

轴承压盖

4

机械密封

8

泵轴

12

中间联轴器

16

泵盖


注意事项

1、安装时管路重量不应承受在泵上,否则易损坏水泵;

2、泵与电机是整体结构,出厂时已由厂家校正,所以安装时无需调整,因此安装时十分方便;

3、安装时必须拧紧地脚螺栓,且每间隔一定时段应对泵进行检查防止其松动,以免水泵起动时了生剧烈振动而影响泵的性能;

4、安装水泵前应仔细查泵流道内有无影响水泵运行的硬质物(如石块、铁砂等)以免水泵运行时损坏过流部件;

5、为了维护方便和使用安全,在泵的进出口管路上安装一只调节阀及在泵进出口附近安装一只压力表,对于高扬程泵,为防止水锤,还应在出口闸阀前安装一只止回阀以应付突然断电等失去动力事故,从而确保水泵在最佳工况下运行,增长水泵的使用寿命;

6、泵用于有吸程场合,应装有底阀,并且进口管不应有过多弯道,同时不得有漏水、漏气现象,以免影响水泵的吸入性能;

7、为不使杂质进入泵内而堵塞流道影响性能,应在泵进口前面安装过滤器;

8、安装管路前转动水泵的转子部件,应无磨擦声或卡死现象,否则应将泵拆开检查原因。

用户使用须知

为确保您的泵能够正常运行,避免出现超载等现象,请你参照如下说明:

1、管泵类设备人员应了解些有关泵阀类知识;

2、泵在启动前(仅对离心泵)应关闭出口阀,以减烽轴功率,泵启动后达到稳定压力,再逐渐打开出口阀,直至达到额定工作压力;

3、泵在启动后,开启出口阀速度不宜过快,尤其在配置大口径管路系统更应注意,否则可以能流量过大,导致电机超载;

4、泵应在所规定的必能范围内工作,不得在超出大流量点工况下运行,否则极易超载,严重时将导致电机烧毁;

5、离心泵不允许采用旁路排放调节方法;

6、在供暖空调等循环系统中,如果出现不正常超载时,请仔细核算管路系统要求的扬程是否与泵扬程匹配,泵则很可能运行在超大流量点上,易出现电机超载现象,这时应重新考虑泵的选型。

7、泵和其它通用机械设备一样,应进行定期检查,机组检查周期一般为一年;

8、高扬程泵用在高屋建筑时一定要安装止回阀,泵则泵极易被损坏。





 

卖家名片Cards

卖家名片

上海超盾机械制造有限公司

联系人:王先生(销售)

手机:13166200900

邮箱:2880622905@qq.com

地址:上海上海市上海浦东新区惠南镇双店路518号

电话: 传真:

旺铺

在线询盘/留言Online Inquiry

  • *您的姓名:

  • *联系手机:

  • 固话电话:

  • E-mail:

  • 所在单位:

  • 需求数量:

  • *咨询内容:

免责声明:交易有风险,请谨慎交易,以免因此造成自身的损失,本站所展示的信息均由企业自行提供,内容的真实性、准确性和合法性由发布企业负责。本站对此不承担任何保证责任。
商国互联供应商 品质首选

上海超盾机械制造有限公司

  • 联系人:王先生(销售)
  • 手机:13166200900
  • 电话:
  • 会员级别:免费会员
  • 认证类型:企业认证
  • 企业证件:已通过企业认证 [已认证]
  • 认证公司:
  • 主营产品:消防增压稳压设备 立式多级消防泵 无负压稳流罐
  • 公司所在地:上海上海市