
东莞供应110步进电机Y09-110D5-1109
110步进电机
110步进电机Y09-110D5-1109特点
◆R o H S符合品
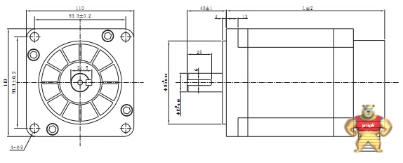
◆ 法兰尺寸:□110 m m
◆ 角度误差:±0 . 0 9°
◆ 绝缘耐压: 5 0 0 V A C / 1分钟
◆ 绝缘电阻: 1 0 0 MΩ
◆ 马达表面最高承受温度: 1 0 0℃
◆ 湿度范围: 2 0 % R H - 9 0 % R H
◆ 轴向容许负载: 150N
◆ 径向容许负载: 490 N (距安装面25m m )
◆ 匹配驱动器: Y 3 S S RAC8
110步进电机技术数据:
型号
步距角
deg
电流
A
电阻
Ω
电感
mH
保持力矩
mN.m
转子惯量
g.cm2
引线数量
质量
kg
马达长度
mm
驱动器
mm
Y09-110D5-1109
1
9000
8600
3
139
Y3SSRAC8

*您的姓名:
*联系手机:
固话电话:
E-mail:
所在单位:
需求数量:
*咨询内容: