为了准确给您报价,请将此询价单通过传真、QQ、邮箱发送给我们 (点击下载)
|
RZ-LEW卫生型电磁流量计的详细资料: |
卫生型电磁流量计工作原理:
卫生型电磁流量计是一种根据法拉第电磁感应定律来测量管内导电介质体积流量的感应式仪表,采用单片机嵌入式技术,实现数字励磁,同时在电磁流量计上采用CAN现场总线,属国内首创,技术达到国内领先水平。除可测量一般导电液体的流量外,还可测量液固两相流,高粘度液流及盐类、强酸、强碱液体的体积流量。广泛地应用于化工、环保、冶金、医药、造纸、给排水等行业。
产品特点:
管道内无可动部件,无阻流部件,测量中几乎没有附加压力损失。
测量结果与流速分布,流体压力,温度、密度、粘度等物理参数无关。
在现场可根据用户实际需要在线修改量程。
高清晰度背光LCD显示,全中文菜单操作,使用方便,操作简单,易学易懂。
采用SMD器件和表面贴装(SMT)技术,电路可靠性高。
采用16位嵌入式微处理器,运算速度快精度高,可编程频率低频矩形波励磁,提高了流量测量的稳定性。
全数字量处理,抗干扰能力强,测量可靠,精度高,流量测量范围可达150:1
超低EM1开关电源,适用电源电压变化范围大,抗EMC性能好。
具有RS485 、RS232 、Hart和Modbus等数字通讯信号输出。
具有自检与自论断功能,提供传感器无端非线性修正功能。
断电保护,流量计的运算结果和用户设定的参数在断电后不会消失,EEPROM可保护设定参数和累积值
转换器和传感器具有多种防护登记及安装方式,有适用于潜水安装的IP68等级。
技术参数:
◆公称通径:DN6-DN2200
◆测量介质:各种液体和液固两相流体。
◆流速范围:0.2~8m/s
◆工作压力:1.6-4.0MPa
◆环境温度:-40℃~+50℃
◆介质温度:聚四氟乙烯衬里≤180℃
◆橡胶材质衬里≤65℃
◆仪表精度:管道式0.5级、1.0级;
◆防爆标志:ExmibdⅡBT4
◆防爆证号:GYB01349
◆外磁干扰:≤400A/m
◆外壳防护:一体化型: IP65;
◆分 离 型: 传感器IP68(水下5米,仅限于橡胶衬里)
◆转换器IP65
◆输出信号:4~20mA.DC,负载电阻0~750Ω
◆通讯输出:RS485 、RS232 、Hart和Modbus等数字通讯信号输出
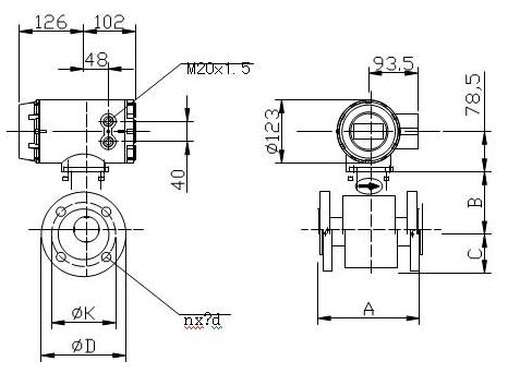
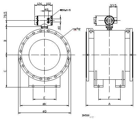
◆电气连接:M20×1.5内螺纹,φ10电缆孔
◆电源电压:90~220V.AC、24±10%V.DC
◆最大功耗:≤10VA
http://www.harzkj.com/llyb/dianciliuliangji/2014/0825/77.html 智能电磁流量计
http://www.harzkj.com/llyb/dianciliuliangji/2014/0916/151.html 污水电磁流量计
http://www.harzkj.com/llyb/dianciliuliangji/2014/0825/76.html 电磁流量计
http://www.harzkj.com/llyb/dianciliuliangji/2014/0825/78.html 防腐型电磁流量计
http://www.harzkj.com/llyb/dianciliuliangji/2014/1117/313.html 一体式电磁流量计
http://www.harzkj.com/llyb/dianciliuliangji/2014/0825/79.html 卫生型电磁流量计
http://www.harzkj.com/llyb/dianciliuliangji/2014/0825/80.html 高压电磁流量计
http://www.harzkj.com/llyb/dianciliuliangji/2014/0825/81.html 插入式电磁流量计
http://www.harzkj.com/llyb/dianciliuliangji/2014/0825/82.html 电池供电电磁流量计
http://www.harzkj.com/llyb/dianciliuliangji/2014/1117/314.html 分体式电磁流量计


| DN | 额定压力 | 仪表外形尺寸 单位:mm 四氟衬里/橡胶衬里 | |||||||||
| Mpa | A | B | C | D | E | ¢D | ¢K | nx¢d | |||
| 15 | 4.0 | 150 | 95 | 50 | 4*14 | ||||||
| 20 | 95 | 65 | 4*14 | ||||||||
| 25 | 100 | 55 | 115 | 75 | 4*14 | ||||||
| 32 | 105 | 60 | 140 | 85 | 4*18 | ||||||
| 40 | 197/202 | 110 | 65 | 150 | 110 | 4*18 | |||||
| 50 | 121 | 76 | 165 | 125 | 4*18 | ||||||
| 65 | 130 | 85 | 185 | 145 | 8*18 | ||||||
| 80 | 135 | 90 | 200 | 160 | 8*18 | ||||||
| 100 | 1.6 | 297/302 | 145 | 100 | 220 | 180 | 8*18 | ||||
| 125 | 247/252 | 161 | 116 | 245 | 210 | 8*18 | |||||
| 150 | 297/302 | 171 | 126 | 280 | 240 | 8*22 | |||||
| 200 | 348/352 | 199 | 154 | 335 | 295 | 12*22 | |||||
| 250 | 398/402 | 224 | 179 | 405 | 355 | 12*22 | |||||
| 300 | 1.0 | 498/502 | 249 | 204 | 440 | 400 | 12*22 | ||||
| 350 | 274 | 229 | 500 | 460 | 16*22 | ||||||
| 400 | 598/602 | 305 | 260 | 565 | 515 | 16*26 | |||||
| 450 | 330 | 285 | 615 | 565 | 20*26 | ||||||
| 500 | 600 | 360 | 403 | 300 | 240 | 670 | 620 | 20*26 | |||
| 600 | 600 | 410 | 453 | 270 | 780 | 725 | 20*30 | ||||
| 700 | 700 | 467 | 560 | 400 | 350 | 895 | 840 | 24*30 | |||
| 800 | 800 | 517 | 610 | 400 | 1010 | 950 | 24*33 | ||||
| 900 | 900 | 567 | 660 | 470 | 1110 | 1050 | 28*33 | ||||
| 1000 | 1000 | 617 | 712 | 570 | 1225 | 1160 | 28*36 | ||||
| 1200 | 0.6 | 1200 | 719 | 814 | 600 | 710 | 1400 | 1340 | 32*33 | ||
| 1400 | 1400 | 819 | 914 | 900 | 1625 | 1560 | 36*36 | ||||
| 1600 | 1600 | 919 | 1036 | 800 | 1040 | 1825 | 1760 | 40*36 | |||
| 1800 | 1800 | 1021 | 1138 | 1180 | 2045 | 1970 | 44*39 | ||||
| 2000 | 2000 | 1121 | 1238 | 1350 | 2265 | 2180 | 48*42 | ||||
| 衬里材料 | 主要功能 | 适应范围 |
| 硬橡胶 |
1、开奶常温下的盐酸、醋酸、草酸、氨水、磷酸及 50%的硫酸、氢氧化钠、氢氧化钾。
2、忌强氧化剂
|
1、低于65℃
2、一般的盐、碱、盐溶液
|
| 软橡胶 |
1、有较好的弹性,耐磨性能较好。
2、耐一般的低浓度酸、碱、盐介质的腐蚀。
3、不耐氧化性介质的腐蚀。
|
1、低于65℃
2、测一般水、污水、泥浆、矿浆
|
|
聚四氟乙烯
(PTFE)
改性聚四氟乙烯
(PEA)
|
1、塑料中化学性能最稳定的一种材料,能耐沸腾的盐酸、硫酸、硝 酸。也能耐浓碱和有机溶剂。
2、耐磨性和粘结性差。
|
1.-40℃~﹢130℃(PYFE)
-40℃~﹢200℃(PFA)
2.酸、碱等强腐蚀介质
3.卫生类介质
|