砷化镓线性霍尔hg106a 钳流表用霍尔元件hg106a
- 价 格:
面议 /
支
- 供 应 地:天津天津市
- 发布公司:天津越尔兴电子科技有限公司
- 产品型号:hg106a
- 品 牌:AKM/旭化成
- 发布日期:2015/8/13 15:15:37
- 联系人QQ:1963519769

详细说明
|
HG-106A
基本参数
|
灵敏度mV/mT@HE
|
工作电压(Vcc)
|
输出电压Mv
|
供电电流
|
|
1.7 at 6V
|
8V
|
小75大95
|
10mA at 6V
|
|
工作温度(topr)
|
封装
|
打印标记
|
|
|
;-40~125
|
4PIN-SOT
|
|
|

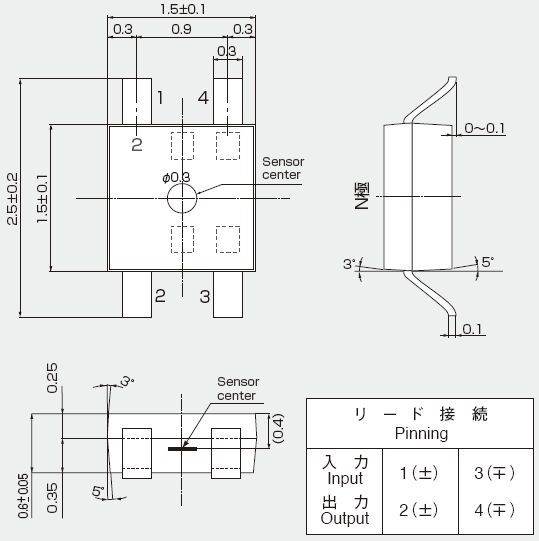
HG-106A封装尺寸图及接线图
HG-106A日本AKM/旭化成公司的一颗砷化镓线性霍尔。HG-106A属于恒流源霍尔,HG-106A可用于电流传感器,万用表,钳流表,摄像头等行业。
天津越尔兴电子科技是一家专门从事霍尔元件和电机驱动IC生产研发销售的公司,多年来秉承诚信为本,客户至上的宗旨赢得了客户的认同.针对客户的需要快速反应,并形成自己独特的客户需求解决方案.与优势国际品牌厂商HONEYWELL、ALLEGRO、ASAHI、SANKEN、MELEXIS、TOSHIBA、JRC 、INFINEON、ST、KEC、MAX、、HIT、PH、TI等有着长期良好的合作关系,长期备有大量现货,保证充足的货源库存.
天津越尔兴电子科技公司主要生产霍尔元器件、各种传感器、转速探头(发动机用),专业为电动车辆领域、汽车领域和各类工程机械提供关键性传感、检测用元器件和零部件及整套解决方案,涉及位置检测、速度检测、磁场测量、里程计量等诸多方面。
公司主要产品:
(一)霍尔元器件(霍尔元件和霍尔集成电路)
霍尔集成电路:单磁极霍尔开关电路
双磁极霍尔开关电路
微功耗霍尔开关电路
线性霍尔电路
(二)传感器
霍尔接近开关、韦根传感器、转速探头等。
(三)进口霍尔电路代理
EW512、EW732、HW302B、HG302C、SS40AF、A1104、A3212、U1881、MLX90217、SS496B、SS495A1、TLE921-5U等国外多个品牌霍尔传感器,欢迎来电咨询、洽谈。
免责声明:交易有风险,请谨慎交易,以免因此造成自身的损失,本站所展示的信息均由企业自行提供,内容的真实性、准确性和合法性由发布企业负责。本站对此不承担任何保证责任。