【X44W-1.0C三通铸钢旋塞阀制造销售】
【产品型号:X44W】
X44W三通铸钢旋塞阀广泛地应用于油田开采、输送和精练设备中工作温度为200℃以下。
【产品介绍】:
X44W三通铸钢旋塞阀采用碳钢材质制作,阀芯可选用:不锈钢、黄铜或碳钢材质,适用介质工作温度小于200℃的油品、煤气等。
产品供货优点:
硬件设备:高科技产品制造机械,精细于每个生产的细节;
坚持创新:秉持不进则退的思想,不断尝试,发布新产品;
交货快捷:充足的备货,缩短了交货期,为您节约时间!
【工作原理】:
X44W三通铸钢旋塞阀是柱塞形的旋转阀,启闭件是一个有孔的圆柱体,绕垂直于通道的轴线旋转,起到切断和接通介质以及分流介质的作用,通过旋转90度使阀塞上的通道口与阀体上的通道口相同或分开,实现开启或关闭的一种阀门。
【产品特点】:
1、不受安装方向的限制,介质的流向可任意。
2、适用于经常操作,启闭迅速、轻便、流体阻力小。
3、结构简单,相对体积小,重量轻,便于维修、密封性能好。
4、阀体、阀芯材料可根据使用情况随意更换,结构简单,密封性能好,使用广泛。
【主要性能规范】:
|
型号
|
公称压力
PN(MPa) |
试验压力PS(MPa)
|
适用介质
|
工作温度(℃)
|
|
|
壳体
|
密封
|
||||
|
X44W-1.0C
|
1.0
|
1.5
|
1.1
|
煤气、油品
|
≤200
|
【零部件材料】:
|
零件名称
|
阀体
|
塞子
|
填料压盖
|
填料
|
|
X44W-1.0C
|
铸钢
|
铸钢
|
铸钢
|
柔性石墨
油浸石棉盘根 |
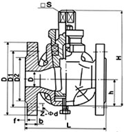
【产品尺寸】:

|
公称压力
PN(MPa) |
公称通径
DN(mm) |
尺寸(mm)
|
|||||||
|
L
|
D
|
D1
|
D2
|
z-φd
|
□s
|
h
|
H
|
||
|
1.0
|
25
|
145
|
115
|
85
|
56
|
4╳φ14
|
17
|
38
|
133
|
|
32
|
170
|
135
|
100
|
78
|
4╳φ18
|
18
|
45
|
152
|
|
|
40
|
180
|
145
|
110
|
85
|
4╳φ18
|
24
|
55
|
212
|
|
|
50
|
200
|
160
|
125
|
100
|
4╳φ18
|
28
|
74
|
260
|
|
|
65
|
220
|
180
|
145
|
120
|
4╳φ18
|
32
|
82
|
295
|
|
|
80
|
250
|
195
|
160
|
135
|
4╳φ18
|
40
|
95
|
327
|
|
|
100
|
300
|
215
|
180
|
155
|
8╳φ18
|
45
|
135
|
425
|
|
|
125
|
350
|
245
|
210
|
185
|
8╳φ18
|
54
|
154
|
482
|
|
|
150
|
400
|
280
|
240
|
210
|
8╳φ23
|
62
|
172
|
512
|
|
|
200
|
450
|
335
|
295
|
265
|
8╳φ23
|
75
|
195
|
605
|
|
|
250
|
530
|
390
|
350
|
320
|
8╳φ23
|
85
|
230
|
660
|
|
|
300
|
580
|
440
|
400
|
368
|
8╳φ23
|
100
|
263
|
760
|
|
【X44W三通铸钢旋塞阀制造销售】