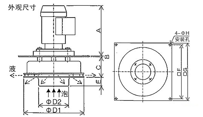
产品描述FGFRD-A型消泡器是利用离心力来破碎生产过程中产生的泡沫,使气液分离,高速涡轮提供的剪切力撕碎气泡,气泡释放出的液体立即被离心力摔向器壁,并压缩为液流重新回到聚合釜中,减少逃液损失。气体由真空泵从管道中排出,可以更有效地减少大通气量条件下液体损失。
产品优点A.与一般使用消泡剂相比
a.无需在旁一直观察,不需按时放入消泡剂,减少了人力费用。
b.环保,不会因为放入消泡剂而影响到所加工物的质量。
c.节省了一笔用于消泡剂的不小开支。
d.不需要担心因为忘记放入消泡剂而使泡沫超出上限。
e.不用考虑不同的液体而去采取不同的消泡剂。
f.运用范围较广。
B.与一般消泡设备相比
a.确实能防止泡沫超出上限。
b.工厂床台不会被污染,不必担心因为液体不足而导致设备故障以及液体外漏等事故。
c.可以把液体槽尽可能做得最小。
图片(FGFRD-A系列——开放式消泡器)


工艺参数
|
型号 |
消泡量(m3/h) |
功率(Kw) |
转速(r/min) |
|
FGFRD-A-5-0.75 |
5 |
0.75 |
2800 |
|
FGFRD-A-10-1.1 |
10 |
1.1 |
2800 |
|
FGFRD-A-20-2.2 |
20 |
2.2 |
2820 |
|
FGFRD-A-30-3 |
30 |
3 |
2840 |
|
FGFRD-A-40-4 |
40 |
4 |
2840 |
|
FGFRD-A-60-5.5 |
60 |
5.5 |
2840 |
|
FGFRD-A-80-7.5 |
80 |
7.5 |
2840 |
|
FGFRD-A-100-11 |
100 |
11 |
2840 |
|
FGFRD-A-150-15 |
150 |
15 |
2900 |
|
FGFRD-A-200-22 |
200 |
22 |
2900 |
|
FGFRD-A-300-30 |
300 |
30 |
2900 |
|
FGFRD-A-500-37 |
500 |
37 |
2900 |
公司简介
江苏凤谷节能科技有限公司专注于节能环保产品设计研发,主要从事高效燃烧器及控制系统的研发与应用,可提供设计、制造、成套配套、安装调试、人员培训等总承包服务的专业公司;凤谷节能科技在喷嘴的
设计研发和产品开发方面拥有丰富的经验。
凤谷节能科技通过并购无锡市大禾机械有限公司进入到化工行业的细分领域,主要产品包括机械消泡器、清釜机、汽水混合器等化工设备及配件。产品广泛应用于纺织、印染、造纸、石化、医药、化工、水处理、洗涤剂制造、涂料、油墨油漆等领域,产品因优异的性能和完善的售后赢得用户的广泛称赞。
【如需详细了解产品信息或技术信息,可扫下二维码: 技术工程师--徐工】
一般情况下: 划线价格:划线的价格可能是商品的销售指导价或该商品的曾经展示过的销售价等,并非原价,仅 供参考。
未划线价格:未划线的价格是商品在中国站上的销售标价,具体的成交价格根据商品参加活 动,或因用户使用优惠券等发生变化,最终以订单结算页价格为准。
活动预热状态下: 划线价格:划线的价格是商品在目前活动预热状态下的销售标价,并非原价,具体的成交价可 能因用户使用优惠券等发生变化,最终以订单结算页价格为准。
未划线价格:未划线的价格可能是商品即将参加活动的活动价,仅供参考,具体活动时的成交价可 能因用户使用优惠券等发生变化,最终以活动是订单结算页价格为准。
*注:前述说明仅当出现价格比较时有效。若商家单独对划线价格进行说明的,以商家的表述为准。
联系人:徐科伟(市场部)
手机:13771555338
邮箱:fg360baidu@126.com