东莞机器人行星减速机 关节减速机型号 行星关节减速机厂家
机器人减速机特点:关节减速机小于1弧-分的背隙;强抗扭刚度,体积紧凑;零部件同轴式实现更多设计灵活性;更大推力和悬臂式动量的集成式角轴承;高减速比(最大至250:1)且不增加减速机尺寸;最大转矩至5X额定转矩(紧急停止);标准同轴减速器在非常紧凑和高精度零部件配置下性能卓越。部件包含滚动接触部件,以实现较高效率和较长使用寿命,集成式角轴承支持外部负载,而且两级减速设计在提高减速比的同时减少了震动和惯性。
机器人减速机外形:

机器人减速机技术参数:

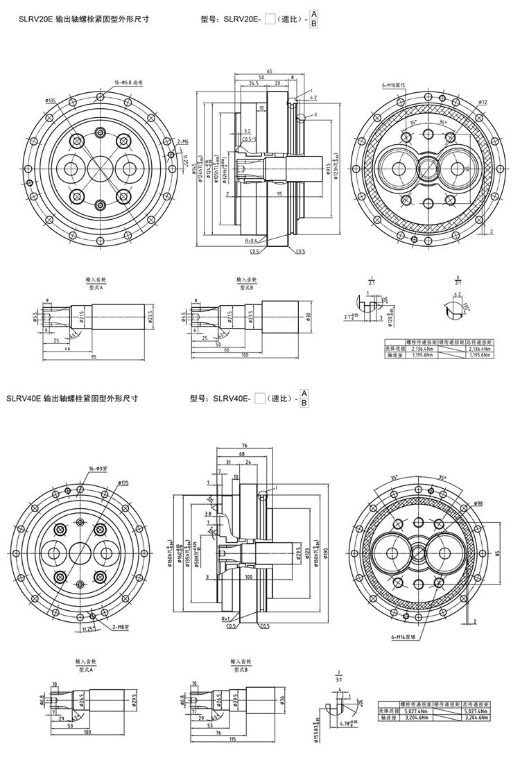
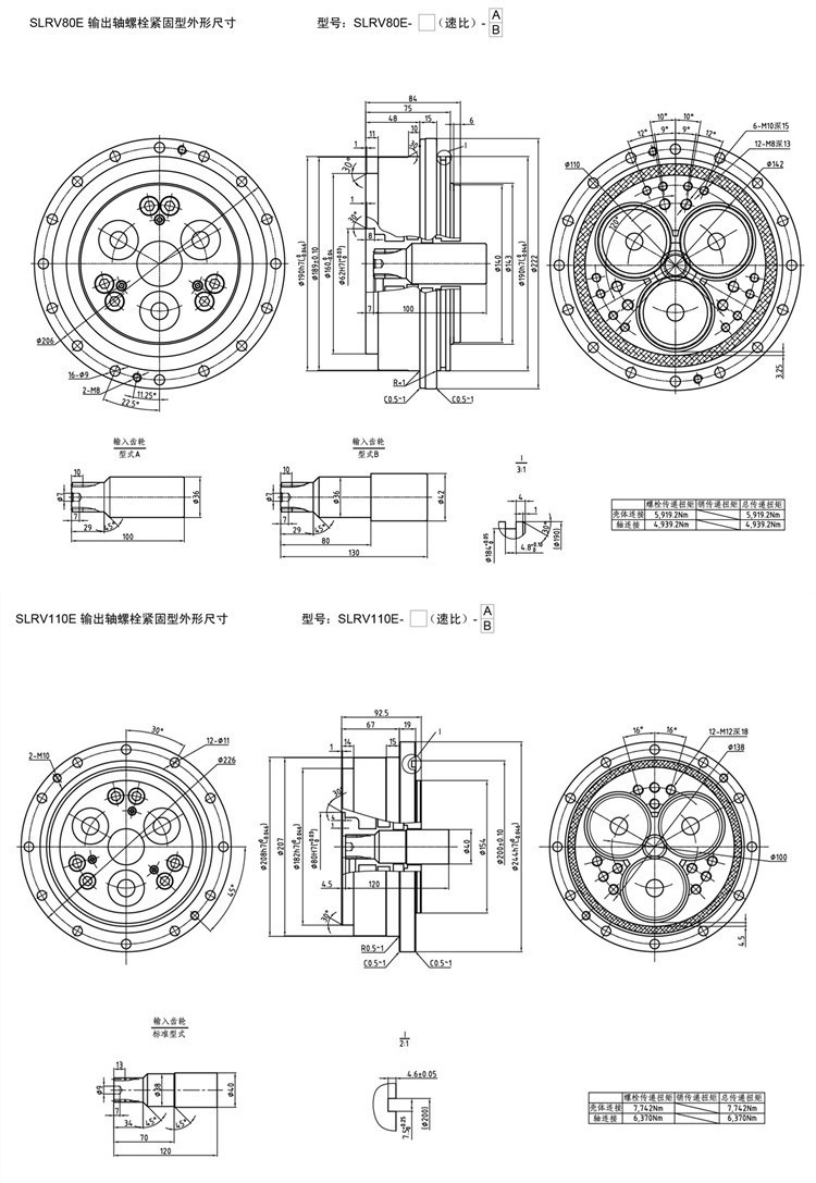
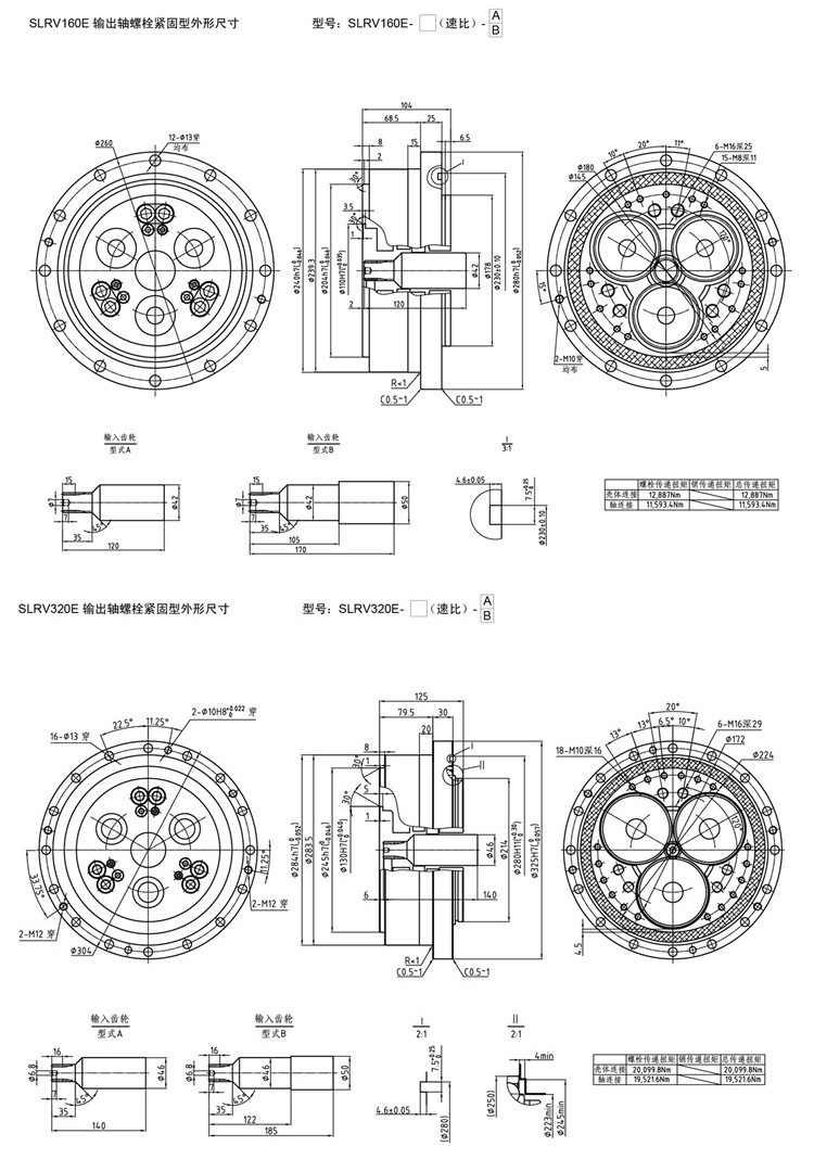
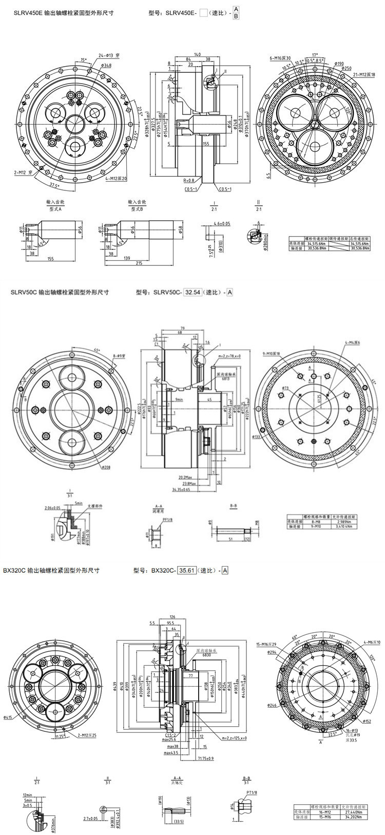
机器人减速机尺寸图纸:




此款机器人减速机由东莞市祥如机电设备有限公司合作销售,以下是公司介绍:东莞市祥如机电设备有限公司简称“祥如机电”是德国VEMTE传动中国唯一生产厂家。VEMTE源自德国著名机电公司VEM集团股份有限公司,于1976年成立,产品以其可靠性和稳定性而著称,VEMTE减速机是全球十大品牌之一,为拓展海外市场战略,于2006年正式进驻中国,VEMTE公司主要产品:减速机,刹车电机及变频器等系列产品,主要服务于机械制造,节能环保,新能源等多领域,产品广泛应用于空气压缩机,陶瓷,纺织,造纸,制药,机床,建材,矿山,风力发电,起重,船舶等行业。VEMTE致力打造最节能环保的电机,减速机及工控自动化系列产品。
由于对客户需求的及时把握使VEMTE产品一直保持创新性与灵活性,先进的产品开发理念,全面的产品研发测试与自动化,信息化的作业生产,保证了VEMTE产品的高可靠和高性能。分布在全球各地办事处,售后服务中心,联保中心的专业技术支持团队为用户提供解决方案,技术培训与服务支持保障,旨在更好地表明VEMTE对产品品质精益求精的苛求,以衣为客户创造最大价值的不断追求。VEMTE专业专注打造最可靠,最稳定的节能产品。