SD44X手动排泥阀
产品品牌:金钛阀门
产品型号:SD44X
公称通径:DN80~DN250
公称压力:1.0~4.0Mpa
适用介质:水、油品
适用温度:0~80℃
连接形式:法兰
材质:铸铁,铸钢,球磨铸铁,不锈钢
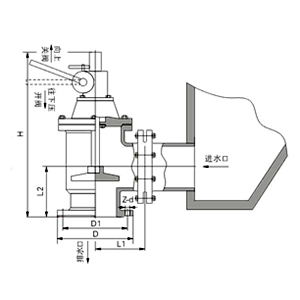
1、排泥阀产品简介
本产品主要是用于给类水池外,排除水池底部泥沙与污水
本阀是由主阀、齿轮箱、档位等组成。工作时,只要把手柄往下按就可以开启,相反就快速关闭。
2、手动快开排泥阀技术参数:
公称压力:1.0~1.6MPa
适用介质:水、污水、泥沙
适用温度:常温
阀体齿轮材料:HT200
阀杆材料:不锈钢
阀瓣材料:衬胶NBR
浙江金钛阀门专业生产水力控制阀,减压阀,稳压阀,管力阀,微阻缓闭止回阀,流量控制阀,液力自动阀,智能自控阀,蝶式止回阀,排泥阀,硬碰硬旋球阀等系列产品,广泛用于高层建筑、消防、水厂、电厂、治金、石化、煤矿、能源、食品、医药等配水管道系统中。如有任何疑问请立即联系我们,我们将竭诚为您服务。
公司网站:http://www.jintaifamen.com
阿里旺铺:http://jintaivalve.1688.com
销售热线:15158411367 