您好,欢迎来到商国互联!

收藏本站

商国互联

点击查看优质供应商

当前位置:商国互联首页> 供应信息 > 机械及行业设备 > 检测设备 > 检测仪

供应北京电子罗盘 

供应北京电子罗盘

  • 品 牌:迈科传感
  • 价 格:面议 /
  • 供 应 地:江苏省无锡市
  • 包装说明:金属材质外壳
  • 产品规格:
  • 运输说明:
  • 交货说明:当日发货
  • 发布日期:2017/1/18 16:30:11
  • 联系人QQ:1027165620 点击这里给我发消息

详细说明

详细说明Explain

供应北京电子罗盘

 

本店属迈科传感官方产品、保证原装正品,假一罚十。

1、    产品质保两年、终身免费维修。

2、    如产品未达到本店承诺的技术指标,可以退换货。

3、    技术工程师提供技术支持、技术解决方案 。  

 全姿态三维电子罗盘 —— 工业级设计  MEMS工艺

产品介绍  

     HCM365B 是迈科传感科技针推出一款高精度全姿态三维电子罗盘,它采用先进的硬铁和软铁校准算法,使其在360°横滚,+/-90°全倾角范围内都能提供高精度的航向信息。它具有小体积和低功耗的特点,更适合于功耗体积敏感的测量系统。

      产品输出载体的精确姿态,可以用于全姿态转动的系统中。此产品带有硬磁、软磁及倾角补偿,罗盘输出校准后的高精度测量值。集成专利技术的三轴磁通门,通过中央处理器实时解算航向,使用三轴加速度计对倾斜角进行航向补偿,使其在极其恶劣的环境下也能提供准确的航向数据。体积小、功耗低, 在石油测井、天线指向、车辆导航、姿态系统等众多领域得到广泛应用。

主要特性

测量范围:360°全姿态                                                            带硬磁、软磁及倾角补偿

精度 :0.3°~0.5°                                                                   输出方式RS232,RS485,TTL

工作电压:DC+5V                                                                   宽温工作-40~+85℃

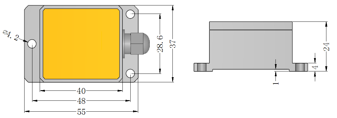
工作电流:40mA                                                                   小体积(55*37*24mm)(可定制)

产品应用

●单兵作战设备                                                                        精度激光平台设备

●石油地质测井                                                                        ●基于倾斜监测

●水下导航                                                                               卫星太阳能天线定位

●海洋勘测                                                                              ● 各种工程机械角度控制

●矿业机械,石油测井设备                                                          ●GPS导航


产品尺寸图

产品测量方向

                                               

尽管HCM365B能够补偿磁干扰,但是用户应该选择一个磁干扰最小的环境来安装和使用。尽可能的选择远离铁、镍、磁铁、发动机和其他磁性物质放置HCM365。如果周围有这些磁介质,请至少需要维持0.5m远的距离。为保证产品达到最佳测量效果,安装时须采用非磁性螺丝刀和非铁质螺丝。务必严格避免磁铁、电动机等强磁物质靠近罗盘10cm之内,这可能会造成罗盘的测量精度不可逆下降。

每个HCM365B电子罗盘都提供1.6米的电缆线,电缆线长度可选。HCM365B的航向精度能达到0.5°,这是经过严格验证不容置疑的,科学的测试方法同样至关重要。我们建议的测试方法是:将HCM365B电子罗盘安装在垂直竖起的铝(或者其他无磁性的材料)制杆上进行航向精度测量(转动杆垂直于转动平台,尽量做到避免大的外界磁场干扰)。

倾角罗盘调试助手

可以在迈科传感科技官方网站上下载倾角罗盘调试助手进行初步报警角度设置,如果您希望直接访问倾角传感器,可以通过倾角传感器的通信协议和大众版的串口调试助手访问,这样传感器可以方便的集成到您的系统中。


产品质检
 

                                


 

卖家名片Cards

卖家名片

无锡迈科传感科技有限公司

联系人:张勇(销售经理)

手机:18205038115

邮箱:1027165620@qq.com

地址:江苏省无锡市新区太湖国际传感网科技园立业楼E座6F

电话: 传真:

旺铺

在线询盘/留言Online Inquiry

  • *您的姓名:

  • *联系手机:

  • 固话电话:

  • E-mail:

  • 所在单位:

  • 需求数量:

  • *咨询内容:

免责声明:交易有风险,请谨慎交易,以免因此造成自身的损失,本站所展示的信息均由企业自行提供,内容的真实性、准确性和合法性由发布企业负责。本站对此不承担任何保证责任。
商国互联供应商 品质首选

无锡迈科传感科技有限公司

  • 联系人:张勇(销售经理)
  • 手机:18205038115
  • 电话:
  • 会员级别:免费会员
  • 认证类型:企业认证
  • 企业证件:已通过企业认证 [已认证]
  • 认证公司:
  • 主营产品:倾角传感器 倾角开关 电子罗盘 角度传感器 数显倾角仪 光纤陀螺仪 测井仪
  • 公司所在地:江苏省无锡市