
扩散式旋风除尘器
扩散式旋风除尘器与一般旋风除尘器最大的区别有两点:一是具有呈倒锥体形状的锥
体;二是在锥体的底部装有反射屏。倒锥体的作用是,它其有逐渐增大自锥体壁至锥体中心
的距离,减小了含尘气体由锥体中心短路到排气管的可能性。反射屏的作用可使已经被分离的粉尘沿着锥体与反射屏之间的环缝落入灰斗,防止上升的净化气体重新把细微粉尘卷起带走,因而提高了除尘效率,当取消反射屏后除尘效率有明显下降,例如,在进口气速为21m/s、进口气体含尘浓度为50g/m3时,无反射屏的除尘效率仅81%~86%;采用60°反射屏时,除尘效率为93%~95%。反射屏的锥角一般采用60°,试验证明,它较45°锥角的反射屏有除尘效率高、压力损失低的优点。
反射屏顶部的透气孔直径,以取0.05倍的筒体直径时除尘效率最佳(见图4—35)。透气孔中心线的不对中或不水平对除尘效率有显著的影响。反射屏的压力损失为150pa。
扩散式旋风除尘器的另一特点是有一个较大的灰斗。由于粉尘夹带少量气体从锥体底部旋转进人灰斗,灰斗圆柱体直径一般取筒体直径的1.65倍。灰面上部的空间高度取简体直径的1倍。灰斗存灰以后粉尘而升高会导致气流携带出粉尘,所以,要及时清灰或连续排灰。
3、压力损失
扩散式旋风除尘器压力损失p与含尘气进口气速v的关系符合规律。压力损失与进口气速的平方成正比,阻力系数在7.5~9之间,平均值为8.5,误差在±15%以内。在进口气体含尘浓度不变时,进口气速的增加,阻力系数基本不变。45°反射屏的阻力系数略低于60°反射屏的,直径大的除尘器阻力系数值也大。在进口气速不变的情况下,随进口气含尘浓度的增加,其阻力系数略有减小。洁净气体的阻力系数最大。
4、除尘效率
(1) 进口气体含尘浓度与际尘效率的关系 用滑石粉为试样,分别在气量为300m3/h、压力损失为350~370pa和气量为600m3/h、压力损失为1500pa的条件下,进口气体中含尘浓度在1.7~200g/m3。范围内变化,除尘效率见图4-37。压力损失在350pa以上时除尘效率平稳;
(2)进口气速与除尘效率的关系 随着进口气速的增加除尘效率略有提高。同时,进口气速增加后,除尘器动压力损失增加很大,因此,用提高进口气速来提高除尘效率是不可取的。
5、扩散式旋风除尘器选型
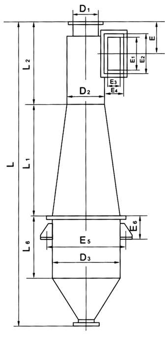
(1)系列尺寸 扩散式旋风除尘器
如考虑选用两台clk扩散式旋风除尘器并联,则每个除尘器的处理气量为2500m3/h。
(2) 扩散式旋风除尘器组合使用 clk扩散式旋风除尘器标准图ct533中没有组合型式。在除尘工程中也有根据处理烟气量将其组合使用的。
*您的姓名:
*联系手机:
固话电话:
E-mail:
所在单位:
需求数量:
*咨询内容:
尚未认证,请谨慎交易