您好,欢迎来到商国互联!

收藏本站

商国互联

点击查看优质供应商

当前位置:商国互联首页> 产品库 > IT设备、数码产品、软件 > 电脑及其硬件产品 > 台式机

LKT4103 16位I2C接口多IO防盗版加密芯片 

  • 价 格: 面议 /
  • 供 应 地:北京北京市
  • 发布公司:凌科芯安科技(北京)有限公司
  • 产品型号:LKT4103
  • 品 牌:凌科芯安
  • 发布日期:2017/5/4 14:13:58
  • 联系人QQ:2355871180 点击这里给我发消息

详细说明

产品说明Explain

公司简介Content


概述:

LKT4103 I2C接口多IO防盗版加密芯片(以下简称LKT4103)内部嵌入凌科芯安公司的LKCOS智能操作系统,支持标准硬件I2C接口(1Mbits/s)和5个GPIO,用户可以把MCU中程序一部分关键算法函数下载到LKT4103中运行。用户采用标准C语言编写操作代码,采用KEIL C编译器,编译并下载到LKT4103芯片中。在实际运行过程中,通过调用函数方式运行LKT4103芯片内的程序段,并获得运行结果,并以此结果作为用户程序进一步运行的输入数据。因此LKT4103成了产品的一部分,而算法在LKT4103内部运算,盗版商无法破解,从根本上杜绝了程序被破解的可能。另外LKT4103还可以通过内部程序控制5个GPIO对周边器件进行控制,丰富并增强了LKT4103的安全功能,加大了破解难度。

         图-1

产品安全:

采用智能卡专用安全微处理器硬件平台;

80251 16位CPU;

用户可以自行下载用户程序,可在协处理器芯片内进行程序的运行;

芯片防篡改设计,全球唯一序列号,具有防止SEMA/DEMA、SPA/DPA、DFA和时序攻击的措施;

多种安全检测传感器:高压和低压传感器、频率传感器、滤波器、光传感器、脉冲传感器、温度传感器,具有传感器寿命测试功能,一旦芯片检测到非法探测,将启动内部的自毁功能;

总线加密,具有金属屏蔽防护层,探测到外部攻击后内部数据自毁;

真随机数发生器:利用芯片内部的电磁白噪声产生,不会重复;

硬件算法协处理器:DES\AES\RSA\ECC。

 

参数类型:

4KV静电保护;

工作电压:1.8、3V、5V;

环境温度:-25℃~+85℃;

数据空间:40K Bytes程序存储区,8K Bytes NVM存储区,用户程序运行RAM 1K Bytes;

最大电流:30mA(内频30Mhz下RSA算法运行);

典型电流:10mA;

通讯方式:I2C,GPIO接口;

休眠电流:300uA。

 

产品/封装:

封装形式:SSOP20。

 

质量:

取得MSDS认证报告;

获得EAL4+通用标准评估等级认证;

通过欧盟RoHS环保认证标准;

通过ISO9001:2008质量管理体系认证。

 

设计支持:

开发工具

USB 接口烧录器;

LCS_Sam烧录开发板;

LCS_Kit智能卡操作软件;

芯片转接板。

开发相关资料

LKT4103 DATASHEET;

LKT4103开发手册;

LKT4103算法例程;

LKT4103通讯接口例程。

 

引脚说明

Number

Pin Name

Function DeSCRJPTion

Pin Type

2

GND

Ground

---

3

GPIO0

Serial data input and output pin

Input/output

5

GPIO1 (IIC_SDA)

Serial data input and output pin

Input/output

7

GPIO2 (IIC_SCL)

Clock input

Input

8

VCC_GPIO

---

---

9

GPIO3

Serial data input and output pin

Input/output

10

GPIO4

Serial data input and output pin

Input/output

11

GPIO5

Serial data input and output pin

Input/output

12

GPIO6

Serial data input and output pin

Input/output

13

GPIO7

---

---

18

CLK

External clock input

Input

19

RST

System reset input

Input

20

VCC

Power input

---

 

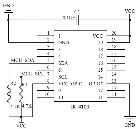
Demo电路



应用领域:

软件加密锁;

上位机软件保护;

控制器嵌入式软件加密;

汽车电子嵌入式软件加密;

平板电脑嵌入式软件加密;

机顶盒嵌入式软件加密;

路由器嵌入式软件加密;

交换机嵌入式软件加密;

仪器仪表嵌入式软件加密。

 

 


卖家名片Cards

卖家名片

凌科芯安科技(北京)有限公司

联系人:曹经理(销售部)

手机:13810031805

邮箱:2355871204@qq.com

地址:北京北京市石景山区阜石路166号泽洋大厦1601室

电话: 传真:

旺铺

免责声明:交易有风险,请谨慎交易,以免因此造成自身的损失,本站所展示的信息均由企业自行提供,内容的真实性、准确性和合法性由发布企业负责。本站对此不承担任何保证责任。
商国互联供应商 品质首选

凌科芯安科技(北京)有限公司

  • 联系人:曹经理(销售部)
  • 联系人QQ:2355871180 点击这里给我发消息
  • 手机: 13810031805
  • 电话:
  • 会员级别:免费会员
  • 认证类型:企业认证
  • 企业证件:已通过企业认证 [已认证]
  • 认证公司:
  • 主营产品:嵌入式加密芯片 加密IC 智能卡 读写器 加密锁/加密狗
  • 公司所在地:北京北京市