超薄吸盘电磁铁
原理:
通电有磁性,断电没磁性,产品用于各类空间较小,要求吸附力较强的一些产品上,比如刹车制动,机械手等。和所有磁性产品一样,磁力大小是产品的关健,而通电的时间长短,功率大小都决定了这一些参数,但是还有一些产品的工艺也决定了吸力,因为相同体积的产品,有些做的吸力就大,有些做的吸力就小。
超薄吸盘电磁铁:东莞市磁心电磁科技有限公司,拥有10年以上电磁铁开发设计的经验,研发生产各类电磁铁,其中吸盘电磁铁又是我公司的强项,其原理是,通电有磁性,有吸力,可吸起物体,断电后无吸力,可放开物体,相较永磁铁的好处是当需要放开物体时,只要断电就可以了。公司生产的吸盘电磁铁有称行业之最:
超薄的厚度:7mm
最小的直径:7mm
最大的行程:隔50mm吸物体
最小剩磁:断电后剩磁只有0.2g
最高频率:一秒钟吸放5次
温升最低:长时间通电温升保持在40摄氏度以下
下面,先介绍其中一款超薄吸盘电磁铁X3307:
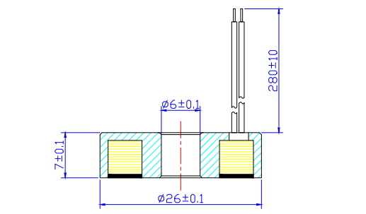
1. X2507外形尺寸:
直径:25mm,(这个尺寸可以根据客户要求来定)
高度:7mm,(最小只能做到7mm了)
安装螺纹:M2深5mm,(完全可按客户要求来制作)
如下图所示:


2.X2507特性:
超薄吸盘电磁铁通电后,吸合面产生磁力,相隔距离不能超过2mm,才可吸起物体,当断电后,产品磁性消除,物体掉落。
被吸物体的被吸面要平整,才能发挥产品的最大吸力,且被吸物体厚度最好在5mm以上,吸合的面积大于33mm,这样产品吸力能达到10kg以上。也就是能吸起10kg的物体。
3.X2507剩磁:
这款产品的剩磁小于2g。
4.X2507电气参数:
电压:3-24V之间可以选择,采用直流电压
功率:根据产品的通电率不同,功率可以做到1-12W之间,功率越大,产品吸力越大,功率越小,吸力越小,这样大家又会在问,那我同样的产品,为什么要做成小功率呢?因为功率的做大做小,和客户的通电率有关,通电率我们俗称产品使用频率,也就是我们在使用这超薄吸盘电磁铁X3307时,需要它吸起物体多长时间,放开之后又需要多长时间再去吸,这个通电时间和断电时间的比率,我们叫通电率。
一般100%的通电率,产品可以做成3W,如果是10%通电率,产品可以做成12W。
电流:电流大小和产品功率、电压有关,功率永恒的时候,电压和电流成反比,所以我们在使用时,希望电流小时,那就需要使用大一点的电压。
5.X2507安装连接:
安装就两方面,一个是接电,一个是装在客户使用机构上,机构上面的话,超薄吸盘电磁铁吸合面反面有安装螺纹,现为M2,孔距为10,如果需要其它尺寸,可以在沟通时提出。另一个是产品的接电,产品在吸合反面出引出两根电线,如果客户需要端子线,电缆线等,可以提出。
6.超薄吸盘电磁铁的其它类似产品:
超薄吸盘电磁铁