您好,欢迎来到商国互联!

收藏本站

商国互联

点击查看优质供应商

当前位置:商国互联首页> 产品库 > 电子元器件 > 集成电路 > 通信IC

CS5210 HDMI转VGA转接线设计方案 

  • 价 格: 面议 / PCS
  • 供 应 地:广东省深圳市
  • 发布公司:深圳市瑞奇达电子有限公司
  • 产品型号:CS5210
  • 品 牌:Capstone
  • 发布日期:2021/8/6 16:07:37
  • 联系人QQ:1176845380 点击这里给我发消息

详细说明

产品说明Explain

公司简介Content


Capstone最新推出的一款HDMI转VGA音视频转接线或者转换器方案芯片CS5210。

其设计的优势在于内置晶振,外围电路器件较少设计简单,芯片封装集成度较高,方案BOM成本低,相比其他方案产品更具性价比,下面将着重讲述CS5210的功能特性和参数要求。

CS5210功能概述

Capstone 瑞奇达 CS5210 HDMI到VGA转换器结合了HDMI输入接口和模拟RGB DAC输出。支持内部LDO,节省成本,优化电路板空间。嵌入式单片机基于工业标准8051内核。

CS5210适用于各种市场系统和显示应用程序,如笔记本电脑、主板、台式机、转换和对接系统。


CS5210设计HDMI转VGA转换方案产品特性:

HDMI 1.4兼容接收机

VGA输出接口,DAC速度高达~200 MHz像素速率,8位

视频分辨率支持高达1920x1200@60以及1920X1080@60Hz

内置振荡器,无需外部晶体

嵌入式线性差稳压器(LDO)

嵌入式微控制器

符合HDCP 1.4规范的片上HDCP引擎(可选)

集成片上HDCP 1.4键(可选)

嵌入式EDID(如果终端设备没有,CS5210将响应EDID)

支持EEPROM自由模式通过使用内部预写ROM

支持自动省电模式

支持VGA连接检测

内部上电复位(POR)

双通道16位分辨率sigma-delta DAC

I2C从接口和HDMI DDC接口可用于调试和固件更新。

QFN32 4x4包装

CS5210产品设计用途如下所示:



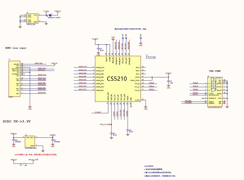
CS5210设计以上HDMI转VGA转换方案电路原理图如下所示:





举报/反馈

卖家名片Cards

卖家名片

深圳市瑞奇达电子有限公司

联系人:李怡馨(销售专员)

手机:13699758578

邮箱:1176845380@qq.com

地址:广东省深圳市龙华街道龙华区富康社区东环二路57号杰美康创意园B栋131

电话: 传真:

旺铺

免责声明:交易有风险,请谨慎交易,以免因此造成自身的损失,本站所展示的信息均由企业自行提供,内容的真实性、准确性和合法性由发布企业负责。本站对此不承担任何保证责任。
商国互联供应商 品质首选

深圳市瑞奇达电子有限公司

  • 联系人:李怡馨(销售专员)
  • 联系人QQ:1176845380 点击这里给我发消息
  • 手机: 13699758578
  • 电话:
  • 会员级别:免费会员
  • 认证类型:企业认证
  • 企业证件:已通过企业认证 [已认证]
  • 认证公司:
  • 主营产品:代理台湾瑞奇达 Capstone CS5210 CS5211 CS5212 CS5212 CS5213 CS5218 CS5265 CS5266 CS5267 CS5268 CS5269 CS5288 CS5811 CS5260
  • 公司所在地:广东省深圳市