德立科销售通信控制器 价格优惠
- 价 格:
面议 /
套
- 供 应 地:
- 发布公司:石家庄德立科电子科技有限公司
- 产品型号:BJ-KZQ-C
- 品 牌:德立科
- 发布日期:2020/1/15 17:27:26
- 联系人QQ:171365701

详细说明
一、产品介绍
BJ-KZQ-C型通信控制器是双 CAN 系统 通信控制部件,主要作用有:外接电源通过BJ-KZQ-C型通信控制器给消防系统供电,读取探测器数据信息,与EMS按照约定协议进行 CAN 通信,将预警、报警信息传输给EMS系统,内外部 CAN 系统 通信干扰隔离,统一控制探测器动作输出信号,同时启动灭火器。
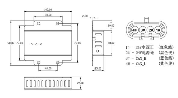
二、外观尺寸



三、接口说明
四、工作条件
额定电压:DC 24V(9-36V)
工作电流:< 40 mA
工作功率:1-2 W
工作温度:- 40~+85 ℃
适用湿度:< 95% RH
重 量:< 75 克
启动预热时间:< 15 秒
存储温度:- 40~100 ℃
导 线:满足 QC/T 29106-2014 标准
多重自检:开机自检:系统上电时刻,进行系统自检
可维护性:支持在线升级
实时自检:运行时,系统进行实时自检,监控系统工作状态
CAN网络:有,支持SAE-J1939 协议
尺 寸:100 * 90 * 25 mm
通信方式:CAN,波特率 250 K
石家庄德立科电子科技有限公司成立于1996年,以单片机为核心技术,智能化控制为方向,产品面向工业自动化控制、汽车电子、电子、智能物联网等领域,是集研发、生产、销售于一体的高新技术企业、军民融合企业。公司在单片机、数据采集、数据通讯、伺服系统、闭环精密控制、设备自动化测控、物联网测控管理等方面取得了多项技术成果,填补了国内几个领域的技术空白。德立科通过了ISO9001体系认证、国际汽车工作组IATF的ISO/TS16949体系认证、消防行业《火灾自动报警系统设计规范》GB 50116认证。工业控制领域:“DELIKE-PLC”可编程控制器产品是经过20多年的潜心研究,精心实验,完全自主研发成功的自动化控制系列产品,每一台下线都经过强电、强磁、高低温、振动、油盐湿度、老化试验,性能稳定,可靠性完全可与国际一线品牌plc相媲美,产品性价比高,已规模化量产,配装到各种机械设备,远销海内外。火灾报警领域:各种储能系统中的火灾探测报警装置,天然气报警装置、烟雾报警装置、火灾预警及自动灭火装置等成熟产品。汽车电子领域:自适应汽车定速巡航系统、伺服控制系统,拥有完全独立的核心技术,在国内处于先进地位。大型电动客车电池箱专用火灾报警装置,已批量生产,应用于一线品牌的新能源车上。电子领域:多功能串口测试模块,信号数据采集模块,数传测试模块,PC104适配器模块,PXI适配器模块,CPCI示波器模块等产品成熟稳定。
卖家名片Cards
卖家名片
联系人:李经理()
手机:18830157288
邮箱:
免责声明:交易有风险,请谨慎交易,以免因此造成自身的损失,本站所展示的信息均由企业自行提供,内容的真实性、准确性和合法性由发布企业负责。本站对此不承担任何保证责任。