CLK扩散式旋风除尘器
- 价 格:
面议 /
台
- 供 应 地:河北省沧州市
- 发布公司:泊头市昊天环保机械制造有限责任公司
- 产品型号:CLK
- 品 牌:昊天
- 发布日期:2011/9/22 11:04:33
- 联系人QQ:1910945561

详细说明
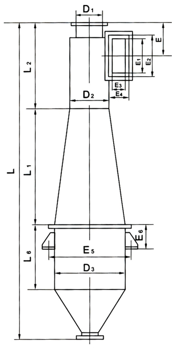
CLK扩散式旋风除尘器,适用于捕集干燥的非纤维性的颗粒状粉尘,主要特点是筒身呈倒圆锥形,因而减少了含尘气体自筒身中心短路到出口去的可能性,并装有圆锥形的反射屏,防止两次气流将已经分离下来的粉尘重新卷起,被上升气流带出,因而提高了除尘效率。 适用于冶金、铸造、建材、化工粮食、水泥等行业中,捕集干燥的非纤维性颗粒状粉尘和烟尘除尘,可做回收物料设备使用。
技术性能
型号规格 进口风速(M/S) 处理风量(m2/h) 阻力(Pa) 效率(%) 外型尺寸(mm) 重量(kg)
CLK-ф150 10-20 210-420 100 95 380×1210 33
CLK-ф200 370-735 466×1916 52
CLK-ф250 595-1190 566×2039 75
CLK-ф300 840-1680 631×2447 103
CLK-ф350 1130-2270 716×2866 143
CLK-ф400 1500-3000 808×3277 225
CLK-ф450 1900-3800 893×3695 279
CLK-ф500 2320-4650 983×4106 347
CLK-ф600 3370-6750 1150×4934 612
CLK-ф700 4600-9200 1325×5176 819
CLK扩散式旋风除尘器又称带倒锥体旋风除尘器,适用于捕集干燥的非纤维性的颗粒状粉尘。 二、主要特点 扩散式旋风除尘器筒身呈倒圆锥形,因而减少了含尘气体自筒身中心短路到出口去的可能性,并装有圆锥形的反射屏,防止两次气流将已经分离下来的粉尘重新卷起,被上升气流带出,它具有除尘效率高,结构简单,加工制造容易,投资低和压力损失适中等优点。 三、适用行业 适用于冶金、铸造、建材、化工粮食、水泥等行业中,捕集干燥的非纤维性颗粒状粉尘和烟尘除尘,可做回收物料设备使用。
泊头市昊天环保有限公司是一家集研究、设计、制造、安装及售后服务为一体的企业。是目前国内高档次、高性能、高质量环保产品及配套产品的技术开发和生产基地。
我公司生产各型号斗式提升机、螺旋输送机、埋刮板输送机、空气输送槽、带式输送机、星型卸料器、电动插板阀、粉尘加湿机、布袋除尘器、除尘器袋笼滤袋质优价廉、性能稳定,主要适用于钢铁冶炼、水泥、化工、热电厂等企业现已为国内众多除尘器生产厂家配套产品,竭诚欢迎各界朋友参观选购
公司产品行销全国各地,部分产品已打入国际市场,公司以技术力量雄厚、质量管理严格、生产制造精良、售后服务一流赢得广大用户的好评。公司先后与中科院,天津水泥设计研究院、南京水泥院、北方设计院、冶金设计院、有色设计院、北京化工大海陆空等科研院校建立了长期稳定的合作关系,开发研制的产品各具特色,其中几类产品获得了国家专利,并列入了国家“十佳推广技术”。
立足国内,放眼世界,泊头市昊天环保有限公司愿与各届同仁、朋友携手并进,为保护人类唯一的地球,创造人类共有的碧水蓝天共同努力,共同发展!
免责声明:交易有风险,请谨慎交易,以免因此造成自身的损失,本站所展示的信息均由企业自行提供,内容的真实性、准确性和合法性由发布企业负责。本站对此不承担任何保证责任。