
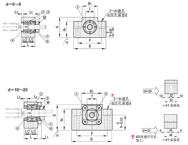
米思米丝杠支座组件BSW15/20/25固定侧·方型 标准型
尊敬的客户您好!
想了解日本【米思米直线导轨】【米思米滑块】【米思米丝杠支座组件】【BSW15/20/25】的参数,具体详情请与我们客服人员联系。
丝杠支座组件固定侧·方型 标准型
1.由于型号、技术参数繁复多样,不能为大家一一上传,
2.由于库存与价格随时都有变动,所以以上为虚拟价格。
具体型号、参数、具体价格请于我们服务人员联系,我们会第一时间回复您!











*您的姓名:
*联系手机:
固话电话:
E-mail:
所在单位:
需求数量:
*咨询内容: