
DF-4离心式通风机0.37KW安徽离心风机
DF系列离心式风机
DF系列风机,广泛操作于塑料、印刷、干燥、电机等机械行业,用于温控、冷却、吸风和通风换气净化浸染。
DF系列风机为“多叶、前向、窄轮”式叶轮,具有通顺面积大年夜、加速型流道,在对流体强力加压的同时产生的涡流小等一系列特点,具有风量大年夜、风压高、噪声低、效率高级诸多利益,结构上采用优质钢板经进步前辈工艺冲压后铆接、焊接而成,是以结构紧凑而坚贞、体积小、安装、维修利便。
DF型离心式风机为“多叶、前向、窄轮”式叶轮,具有通流面积大、加速型流道,在对流体强力加压的同时产生的涡流小等一系列特点。电机直联驱动。本系列风机比其它型式的风机具有风量大、风压高、噪声低、效率高等诸多优点,结构上采用优质钢板经先进工艺冲压后铆接、焊接而成,因此结构紧凑而牢固,体积小,安装、维修方便。
本DF系列风机广泛应用于塑料、印刷、干燥、晒图等机械行业,也可用于饮食、温控、冷却、吹风和通风换气等各种场合。
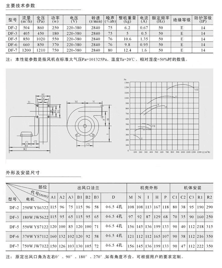
型号 功率kw 转速r/min 流量m3/h 全压Pa 噪声db
DF-1 0.04 2900 160 250 60
DF-2 0.25 2900 504 969 74
DF-3 0.18 2840 405 458 72
DF-3B 0.12 2840 340 430 70
DF-4 0.06 2900 246 412 68
DF-5 0.55 2900 850 1020 76
DF-6 0.37 2900 660 823 76
DF-7 0.75 2900 1200 1250 78
DF-8 1.1 2840 1600 1300 80
DF-9 1.5 2840 2000 1400 82
DF-10 2.2 2840 2300 1400 82

*您的姓名:
*联系手机:
固话电话:
E-mail:
所在单位:
需求数量:
*咨询内容: