您好,欢迎来到商国互联!

收藏本站

商国互联

点击查看优质供应商

当前位置:商国互联首页> 供应信息 > 暖通制冷、建材、工程建筑 > 管件 > 其他管件

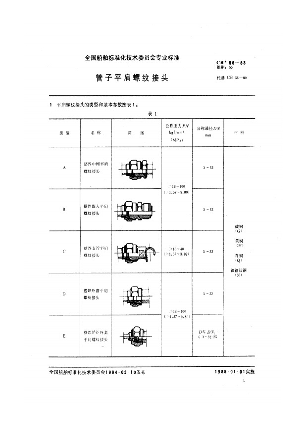
CB56-83搭焊外套平肩螺纹接头 

CB56-83搭焊外套平肩螺纹接头

  • 品 牌:华博液压
  • 价 格:面议 /
  • 供 应 地:江苏省盐城市
  • 包装说明:面议
  • 产品规格:DN3-DN40
  • 运输说明:面议
  • 交货说明:面议
  • 发布日期:2016/4/5 11:11:30
  • 联系人QQ:345697763 点击这里给我发消息

详细说明

详细说明Explain

CB56-83搭焊外套平肩螺纹接头

焊接式管接头具有结构简单,密封性好,耐压高等特点,广泛用于油、气为介质的中高压管路系统中。公称压力≤32Mpa.








































建湖华博液压机械制造有限公司专业生产JB、GB、JB/ZQ、Q/ZB、KJ类等标准管接头和各类DIN、UNF螺纹标准的全系列液压管接头(卡套式、焊接式、扩口式)、快速接头,管夹JB/ZQ408Ⅰ、Ⅱ型(尼龙、重型、轻型、船用),高压法兰,分体法兰等。

主要用于石油、化工、冶金,电力、医药、造纸、制糖、航空、食品、机械等工业自控管路系统中,并承接非标准业务.公司秉承“顾客至上,锐意进取”的经营理念,坚持“客户第一”的原则为广大客户提供优质的服务,欢迎惠顾!





手机:13815556655  QQ:345697763

电话:0515-86118855

传真:0515-86118822

建湖华博液压机械制造有限公司

 


GB 3733.1-83 GB/T3733.1-2008 卡套式端直通管接头
GB 3733.2-83 GB/T3733.2-2008 卡套式端直通管接体
GB 3734.1-83 GB/T3734.1-2008 卡套式锥螺纹直通管接头
GB 3734.2-83 GB/T3734.2-2008 卡套式锥螺纹直通接头体
GB 3735.1-83 GB/T3735.1-2008 卡套式端直通长管接头
GB 3735.2-83 GB/T3735.2-2008 卡套式端直通长管接体
GB 3736.1-83 GB/T3736.1-2008 卡套式锥螺纹长管接头
GB 3736.2-83 GB/T3736.2-2008 卡套式锥螺纹长管接体
GB 3737.1-83 GB/T3737.1-2008 卡套式直通管接头
GB 3737.2-83 GB/T3737.2-2008 卡套式直通接头体
GB 3738.1-83 GB/T3738.1-2008 卡套式端直角管接头
GB 3738.2-83 GB/T3738.2-2008 卡套式端直角接头体
GB 3739.1-83 GB/T3739.1-2008 卡套式锥螺纹直角管接头
GB 3739.2-83 GB/T3739.2-2008 卡套式锥螺纹直角接头体
GB 3740.1-83 GB/T3740.1-2008 卡套式直角管接头
GB 3740.2-83 GB/T3740.2-2008 卡套式直角接头体
GB 3741.1-83 GB/T3741.1-2008 卡套式端三通管接头
GB 3741.2-83 GB/T3741.2-2008 卡套式端三通管接体
GB 3742.1-83 GB/T3742.1-2008 卡套式锥螺纹三通管接头
GB 3742.2-83 GB/T3742.2-2008 卡套式锥螺纹三通管接体
GB 3743.1-83 GB/T3743.1-2008 卡套式端直角三通管接头
GB 3743.2-83 GB/T3743.2-2008 卡套式端直角三通接头体
GB 3744.1-83 GB/T3744.1-2008 卡套式锥螺纹直角三通管接头
GB 3744.2-83 GB/T3744.2-2008 卡套式锥螺纹直角三通接头体
GB 3745.1-83 GB/T3745.1-2008 卡套式三通管接头
GB 3745.2-83 GB/T3745.2-2008 卡套式三通接头体
GB 3746.1-83 GB/T3746.1-2008 卡套式四通管接头
GB 3746.2-83 GB/T3746.2-2008 卡套式四通接头体
GB 3747.1-83 GB/T3747.1-2008 卡套式焊接管接头
GB 3747.2-83 GB/T3747.2-2008 卡套式焊接接头体
GB 3748.1-83 GB/T3748.1-2008 卡套式隔壁直通管接头
GB 3748.2-83 GB/T3748.2-2008 卡套式隔壁直通接头体
GB 3749.1-83 GB/T3749.1-2008 卡套式隔壁直角管接头
GB 3749.2-83 GB/T3749.2-2008 卡套式隔壁直角接头体
GB 3750.1-83 GB/T3750.1-2008 卡套式饺接管接头
GB 3750.2-83 GB/T3750.2-2008 卡套式饺接接头体
GB 3750.3-83 GB/T3750.3-2008 卡套式饺接六角螺栓
GB 3751.1-83 GB/T3751.1-2008 卡套式压力表管接头
GB 3751.2-83 GB/T3751.2-2008 卡套式压力表接头体
GB 3752.1-83 GB/T3752.1-2008 卡套式组合直角管接头
GB 3752.2-83 GB/T3752.2-2008 卡套式组合直角接头体
GB 3753.1-83 GB/T3753.1-2008 卡套式组合三通管接头
GB 3753.2-83 GB/T3753.2-2008 卡套式组合三通接头体
GB 3754.1-83 GB/T3754.1-2008 卡套式端对接直通管接头
GB 3754.2-83 GB/T3754.2-2008 卡套式端对接直通接头体
GB 3755.1-83 GB/T3755.1-2008 卡套式锥螺纹对接直通管接头
GB 3755.2-83 GB/T3755.2-2008 卡套式锥螺纹对接直通接头体
GB 3756.1-83 GB/T3756.1-2008 卡套式对接直通管接头
GB 3756.2-83 GB/T3756.2-2008 卡套式对接直通接头体
GB 3757.1-83 GB/T3757.1-2008 卡套式端对接直角管接头
GB 3757.2-83 GB/T3757.2-2008 卡套式端对接直角接头体
GB 3758.1-83 GB/T3758.1-2008 卡套式锥螺纹对接直角管接头
GB 3758.2-83 GB/T3758.2-2008 卡套式锥螺纹对接直角接头体
GB 3759 -83 GB/T3759 -2008 卡套式管接头用螺母
GB 3760 -83 GB/T3760 -2008 卡套式管接头用对接螺母
GB 3761 -83 GB/T3761 -2008 卡套式管接头用锥体环
GB 3762 -83 GB/T3762 -2008 卡套式管接头用尖角密封垫圈
GB 3763 -83 GB/T3763 -2008 卡套式管接头用六角薄螺母

GB 5625.1-85 GB/T5625.1-2008 扩口式端直通管接头
GB 5625.2-85 GB/T5625.2-2008 扩口式端直通管接头体
GB 5626.1-85 GB/T5626.1-2008 扩口式锥螺纹直通管接头
GB 5626.2-85 GB/T5626.2-2008 扩口式锥螺纹直通管接头体
GB 5627.1-85 GB/T5627.1-2008 扩口式锥螺纹长管接头
GB 5627.2-85 GB/T5627.2-2008 扩口式锥螺纹长管接头体
GB 5628.1-85 GB/T5628.1-2008 扩口式直通管接头
GB 5628.2-85 GB/T5628.2-2008 扩口式直通管接头体
GB 5629.1-85 GB/T5629.1-2008 扩口式锥螺纹直角管接头
GB 5629.2-85 GB/T5629.2-2008 扩口式锥螺纹直角管接头体
GB 5630.1-85 GB/T5630.1-2008 扩口式直角管接头
GB 5630.2-85 GB/T5630.2-2008 扩口式直角管接头体
GB 5631.1-85 GB/T5631.1-2008 扩口式可调向端直角管接头
GB 5631.2-85 GB/T5631.2-2008 扩口式可调向端直角管接头体
GB 5632.1-85 GB/T5632.1-2008 扩口式组合直角管接头
GB 5632.2-85 GB/T5632.2-2008 扩口式组合直角管接头体
GB 5633.1-85 GB/T5633.1-2008 扩口式可调向端三通管接头
GB 5633.2-85 GB/T5633.2-2008 扩口式可调向端三通管接头体
GB 5634.1-85 GB/T5634.1-2008 扩口式组合直角三通管接头
GB 5634.2-85 GB/T5634.2-2008 扩口式组合直角三通管接头体
GB 5635.1-85 GB/T5635.1-2008 扩口式锥螺纹三通管接头
GB 5635.2-85 GB/T5635.2-2008 扩口式锥螺纹三通管接头体
GB 5636.1-85 GB/T5636.1-2008 扩口式变径锥螺纹三通管接头
GB 5636.2-85 GB/T5636.2-2008 扩口式变径锥螺纹三通管接头体
GB 5637.1-85 GB/T5637.1-2008 扩口式可调向端直角三通管接头
GB 5637.2-85 GB/T5637.2-2008 扩口式可调向端直角三通管接头体
GB 5638.1-85 GB/T5638.1-2008 扩口式组合三通管接头
GB 5638.2-85 GB/T5638.2-2008 扩口式组合三通管接头体
GB 5639.1-85 GB/T5639.1-2008 扩口式三通管接头
GB 5639.2-85 GB/T5639.2-2008 扩口式三通管接头体
GB 5640.1-85 GB/T5640.1-2008 扩口式三通变径管接头
GB 5640.2-85 GB/T5640.2-2008 扩口式三通变径管接头体
GB 5641.1-85 GB/T5641.1-2008 扩口式四通管接头
GB5641.2-85 GB/T5641.2-2008 扩口式四通管接头体
GB5642.1-85 GB/T5642.1-2008 扩口式焊接管接头
GB5642.2-85 GB/T5642.2-2008 扩口式焊接管接头体
GB5643.1-85 GB/T5643.1-2008 扩口式隔壁直通管接头
GB5643.2-85 GB/T5643.2-2008 扩口式隔壁直通管接头体
GB5644.1-85 GB/T5644.1-2008 扩口式隔壁直角管接头
GB5644.2-85 GB/T5644.2-2008 扩口式隔壁直角管接头体
GB5645.1-85 GB/T5645.1-2008 扩口式压力表管接头
GB5645.2-85 GB/T5645.2-2008 扩口式压力表管接头体
GB5646-85 GB/T5646-2008 扩口式管接头管套
GB5647-85 GB/T5647-2008 扩口式A型管接头螺母
GB5648-85 GB/T5648-2008 扩口式B型管接头螺母
GB5649-85 GB/T5649-2008 扩口式管接头锁紧螺母
GB5650-85 GB/T5650-2008 扩口式管接头空心螺栓


 

卖家名片Cards

卖家名片

建湖华博液压机械制造有限公司

联系人:周建华(销售经理)

手机:15151004949

邮箱:345697763@qq.com

地址:江苏省盐城市建湖液压工业园区5号

电话: 传真:

旺铺

在线询盘/留言Online Inquiry

  • *您的姓名:

  • *联系手机:

  • 固话电话:

  • E-mail:

  • 所在单位:

  • 需求数量:

  • *咨询内容:

免责声明:交易有风险,请谨慎交易,以免因此造成自身的损失,本站所展示的信息均由企业自行提供,内容的真实性、准确性和合法性由发布企业负责。本站对此不承担任何保证责任。
商国互联供应商 品质首选

建湖华博液压机械制造有限公司

  • 联系人:周建华(销售经理)
  • 手机:15151004949
  • 电话:
  • 会员级别:试用会员
  • 认证类型:企业认证
  • 企业证件:已通过企业认证 [已认证]
  • 认证公司:
  • 主营产品:剪板机油缸 折弯机油缸 剪板机液压系统 折弯机液压系统 液压管件 液压阀
  • 公司所在地:江苏省盐城市