
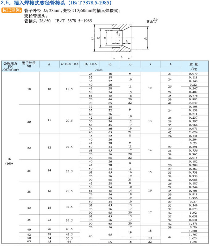
JB/T3878.5-1985 插入焊接式变径管接头
建湖华博液压机械制造有限公司生产JB、GB、JB/ZQ、Q/ZB、KJ类等标准管接头和各类DIN、UNF螺纹标准的全系列液压管接头(卡套式、焊接式、扩口式)、快速接头,管夹JB/ZQ408Ⅰ、Ⅱ型(尼龙、重型、轻型、船用),高压法兰,分体法兰等。
主要用于石油、化工、冶金,电力、医药、造纸、制糖、航空、食品、机械等工业自控管路系统中,并承接非标准业务.公司秉承“顾客至上,锐意进取”的经营理念,坚持“客户第一”的原则为广大客户提供优质的服务,欢迎惠顾!
我公司本着“质量第一,信誉第一,客户第一,服务第一”的企业宗旨,“客户的满意,我们的追求”的企业目标,竭诚欢迎各位新老客户光临指导,合作创业.我们相信在大家的共同努力下,一定能与广大客户一起携手并进,共创美好未来!

*您的姓名:
*联系手机:
固话电话:
E-mail:
所在单位:
需求数量:
*咨询内容: