
方形壁式风机BFS-400防爆排风扇0.18kw风量2400
隔爆型防爆排风扇(以下简称排风扇)其防爆性能按GB3836.1-8《爆炸性环境用防爆电气设备通用要求》GB3836.2-83《爆炸性环境用防爆电气设备隔爆型电气设备“d”》的规定制成隔爆型。防爆标志为dⅡBT,适用于Ⅱ类,A、B、级T1、T2、T3、T4,温度组,可燃性气体与空气形成的爆炸性环境。本品具有防爆性能可靠、风量大、噪声小、耗电省等优点.
防爆排风扇,由电动机带动风叶旋转驱动气流,使室内外空气交换的一类空气调节电器。又称防爆通风扇。排气的目的就是要除去室内的污浊空气,调节温度、湿度和感觉效果。
排气扇广泛应用于家庭及公共场所,防爆排风扇又叫防爆换气扇,防爆排气扇。防爆排风扇适用环境及用途1区、2区危险场所。IIA、IIB类爆炸性气体环境。20区、21区防尘区域,温度组别T1~T6
防爆排风扇产品特点:防爆排风扇由电机、叶片等组成。 外形美观、安装架采用一体式,安全可靠。 带有减振装置,运行噪音低。 钢管布线。 符合GB3836-2000,IEC60079标准要求。
FAG隔爆型排风扇技术参数:
产品型号
风叶直径mm
风量m3/h
额定电压V
电机功率W
转速rpm
安装孔尺寸mm
FAG-300
300
2200
220/380
120
1450
300×300
FAG-400
400
2400
180
1450
380×380
FAG-500
500
4900
250
1450
440×440
FAG-600
600
9500
370
1450
520×520
1、1区、2区危险场所;
2、IIA、IIB、IIC类爆炸性气体环境;
1、防爆轴流风机由防爆电机、叶片、风筒等部件组成。
2、风机采用优质钢板卷曲而成,具有较高的强度。
3、电机性能可靠、能耗低、寿命长。
BFAG防爆壁式排风扇性能参数:
电压(V)
220/380V
风量
2200
加工定制
是
类型
轴流风扇
型号
FAG-300
转速
1450
电流(A)
-
适用范围
厂房、仓库
品牌
恒运
风叶直径
300
电机功率(w)
120
性能
防爆风机
◆首先检查框架、风叶有无变形,扇叶转动是否灵活,有无摩擦现象。检查所有坚固件是否齐全、拧紧,应有防爆合格证编号。
◆线路电压必须与电机上额定电压相符。
◆用500V兆欧表检查电动机的绝缘电阻,其电阻值若小于5MΩ,则应用烘干法或短路电流法进行干燥处理,使其绝缘电阻大于5MΩ。
◆必须配用小型防爆开关作电源开关,或将普通开关安装于室外无爆炸性的地方。
◆接电源的电缆外径与密封圈相符,拧紧、压紧螺母后应保证密封圈与电缆间,密封圈与出线咀间无间隙,否则将推动隔爆性能。
◆装配时就保证防爆间隙小于0.2mm,更换电机轴承的润滑脂,其润滑脂牌号为ZG-2H复合钙基润。
◆防爆电动机非接线部分不可随意白拆卸,接线时,打开接线室的盖,穿入引线接到端子上,接了后,盖上盖拧紧螺钉使其隔爆面间隙小于0.2mm,再上紧出线器,使引线不能窜动。注意:安装时,注意隔爆面。装配时隔爆面须涂204-1防锈油脂。所有防爆面不得有损伤或锈蚀,否则将失去防爆性能,如有损伤或锈蚀现象需按《防爆电气设备防爆面缺陷处理的规定》进行补修。
◆使用中的排风扇应经常清扫电机上粉尘及其它积聚物,以免影响散热。
◆长期不用的排风扇重新使用时,应按说明书再检查一遍,合适后方可使用
BFAG防爆风扇维护和贮存:
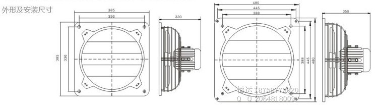
壁式防爆排风扇技术参数及安装示意图:
产品型号
风叶直径mm
风量m3/h
额定电压V
电机功率W
转速rpm
安装孔尺寸mm
FAG-300
300
2200
220/380
120
1450
300×300
FAG-400
400
2400
180
1450
380×380
FAG-500
500
4900
250
1450
440×440
FAG-600
600
9500
370
1450
520×520
FAG-300防爆排风扇适用范围:
BFAG-300防爆壁式排风扇特点:
FAG-300轴流排风扇安装与使用:
1.使用环境应经常保持整洁,风扇表面保持清洁,进、出风口不应有杂物。
2.只能在风扇完全正常情况下方可运转,同时要保证供电设施容量充足,电压稳定,严禁缺相运行,供电线路必须为专用线路,不应长期用临时线路供电。
3.风扇在运行过程中发现有异常省、电机严重发热、外壳带电、开关跳闸、不能启动等现象,应立即停机检查。为了保证安全,不允许在风扇运行中进行维修,检修后应进行试运转五分钟左右,确定无异常现象再开机运转。
4.根据使用环境条件不定期对轴承补充或是更换润滑油脂,为了保证风扇在运行过程中良好的润滑,加油次数不少于1000小时/次。
5.风扇应储存在干燥的环境中,避免电机受潮,风扇在露天存放时,应有防雨措施。在存储于搬运过程中应防止风机磕碰,以免风扇受到损伤。
*您的姓名:
*联系手机:
固话电话:
E-mail:
所在单位:
需求数量:
*咨询内容: