
壁式BFAG-300+0.12kw防爆排风扇
BFAG系列厂用隔爆型防爆排风扇主要由框架、风叶和防爆电机组成,主要适用于易燃易爆环境中的排风使用,扇叶直径从300-600mm不等,电机功率根据扇叶直径分别为0.12-0.37KW。
BFAG防爆壁式排风扇又可以叫做嵌入式防爆排风扇,
其占用空间非常小,可嵌入墙壁内,大大的节省了空间,
而且安装操作非常简单,非常安全,是工厂排风装置的首选产品!
防爆排风扇,由电动机带动风叶旋转驱动气流,使室内外空气交换的一类空气调节电器。又称防爆通风扇。排气的目的就是要除去室内的污浊空气,调节温度、湿度和感觉效果。
排气扇广泛应用于家庭及公共场所,防爆排风扇又叫防爆换气扇,防爆排气扇
轴流排风扇FAG为方形壁式排风扇,防爆排气扇。由防爆电机、叶片、风筒等部分组成,叶片由铝板制成,风筒用钢板与型材加工焊接而成,电源引线导用钢管布线和电缆布线均可。
型号有FAG-300,FAG-400,FAG-500,FAG-600,转速为1450,风量从2200-8500,可根据客户需要挑选规格型号,电压有220V,380V。订货时需注明。
另:FAG隔爆型排风扇可带防雨百叶窗
BFAG轴流排风扇技术参数:
产品型号
风叶直径mm
风量m3/h
额定电压V
电机功率W
转速rpm
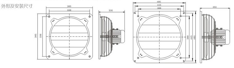
安装孔尺寸mm
FAG-300
300
2200
220/380
120
1450
300×300
FAG-400
400
2400
180
1450
380×380
FAG-500
500
4900
250
1450
440×440
FAG-600
600
9500
370
1450
520×520
BFAG防爆壁式排风扇使用范围:
1、海拔不超过2000m;
乐清恒运防爆风机有限公司专业生产T35-11/BT35-11/FT35-11/FBT35-11系列轴流风机,CBF/BAF系列防爆轴流风机,BFAG系列防爆排风扇,BFC系列防爆吊扇,SF系列低噪音轴流风机,4-72-11/B4-72-11离心通风机,DWT/BDWT系列屋顶风机,FB系列摇头扇
热忱欢迎广大客户来电咨询或来厂参观指导
联系人:赵小姐 电话:18758775020 QQ:2064818009 公司地址:浙江省温州市乐清柳市新光工业区
防爆性能可靠、风量大、噪声小、耗电省等优点-BFS系列防爆排风扇
BFAG防爆壁式排风扇适用于含有Ⅱ类A、B级T4组及其以下的爆炸气体混合物的危险场所1区和2区中。防爆性能符合GB3836.1-2000《爆炸性气体环境用电气设备第1部分通用要求》和GB3836.2-2000《爆炸性气体环境用电气设备第2部分隔爆型“d”》的规定。广泛适用于:石油、军化、化工、机械、医药、冶金等行业的车间、仓库、办公室、加油站等处的防暑降温和通风排气。防爆标志: ExdⅡBT4;防爆等级为: B级;
2、周围环境温度-20°C~+40°C;
3、周围空气相对湿度不大于95%(25°C时);
4、具有II类B级T4组及其以下的爆炸性气体危险场所的1区和2区中。
*您的姓名:
*联系手机:
固话电话:
E-mail:
所在单位:
需求数量:
*咨询内容: