
主令开关LK16-11/31主令控制器 厂家直销
用途及分类
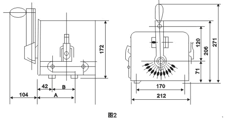
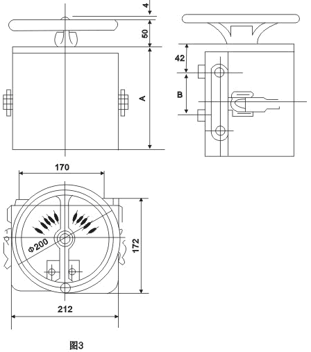
LK16系列非调整式主令控制器(简称控制器)主要用作磁力控制器的遥远控制,适用于直流电压至220伏,交流电压至380伏,50HZ长期工作电流为10安。按控制回路数为12个回路与6个回路2种,按操纵方式分:手柄式与手轮式。
技术数据
1.控制器的技术娄据列于表1及表2、控制器的接通与分断能力:
控制器类别
等级代号
Pe(伏安)
接通与分断
LR(A)
试验次数
U/Ue
l/le
COSФ
L/R
交流
JF2
300
1.1
1.1×10
0.2
5
50
JF3
1000
1.1
1.1×16
0.15
10
50
直流
ZF2
60
1.1
1.1×3
30
5
20
ZF3
90
1.1
1.1×5
50
10
20
ZF4
180
1.1
1.1×7
50
10
20
注:(1)Ue:额定工作电压(伏)、le:额定工作电流(安)、lR:额定发热电流(安)、U:试验压(伏)、l:试验电压(安)、Pe:额定控制容量(伏安)、le=l` e/Ue≤Lr、COSФ:产流功率因数、1、/R:直流时间常数(毫秒)。
控制器类别
等级代号
Pe(伏安)
接通
接通
U/Ue
l/le
COSФ
L/R
U/Ue
l/le
COSФ
L/R
交流控制器
JF2
300
1
10
0.2
1
1
0.25
JF3
1000
1
16
0.15
1
1
0.20
直流控制器
ZF2
60
1
3
30
1
1
150
ZF3
90
1
5
50
1
1
200
ZF4
180
1
7
50
1
1
200
控制器的操作频率为1200次/时
表1
控制器的电寿命:表2
2.根据被控制线路的不同要求,可按不同的关合表制成控制器,其典型触头关合见表

*您的姓名:
*联系手机:
固话电话:
E-mail:
所在单位:
需求数量:
*咨询内容: