您好,欢迎来到商国互联!

收藏本站

商国互联

点击查看优质供应商

当前位置:商国互联首页> 供应信息 > 仪器仪表 > 电工及自动化仪表 > 自动化仪表及装置

化工配料系统 配料系统 化工控制系统 广东 深圳 东莞 佛山 

化工配料系统 配料系统 化工控制系统 广东 深圳 东莞 佛山

  • 品 牌:
  • 价 格:面议 /
  • 供 应 地:广东省深圳市
  • 包装说明:
  • 产品规格:
  • 运输说明:
  • 交货说明:
  • 发布日期:2013/10/29 16:05:14
  • 联系人QQ:155225112 点击这里给我发消息

详细说明

详细说明Explain

化工配料系统 配料系统 化工控制系统 广东 深圳 东莞 佛山
化工配料系统
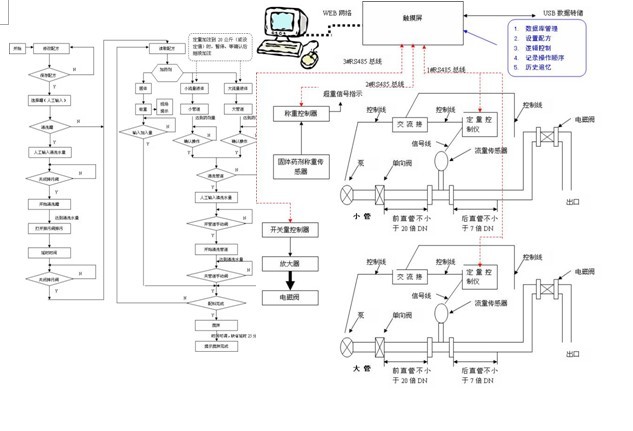
系统说明:
本系统适用于化工、制药等行业需要进行多种配料管理的场合,其中不少液体配料属于小量加注,要求精度高,我们充分利用涡轮流量计准确度高的特性,配合定量控制器以及系统软件的智能化,可以实现用户对配料管理的目的。
本系统主要完成的功能:
1、数据库管理
1)产品数据库,包含:产品编号、产品比重、产品性质
2)用户数据库,包含:用户名称、用户权限、用户密码
3)操作记录数据库,包含:用户、产品批次、开始操作日期/时间、停止操作日期/时间、操作流程
4)生产结果数据库,包含:产品批次、生产日期/时间、用户、产品总量、包装规格、包装数量
2、配方管理
1)输入配方模式:手工输入、USB转存、网络远程操作
2)单次配方管理

 

在线询盘/留言Online Inquiry

  • *您的姓名:

  • *联系手机:

  • 固话电话:

  • E-mail:

  • 所在单位:

  • 需求数量:

  • *咨询内容:

免责声明:交易有风险,请谨慎交易,以免因此造成自身的损失,本站所展示的信息均由企业自行提供,内容的真实性、准确性和合法性由发布企业负责。本站对此不承担任何保证责任。
商国互联供应商 品质首选

深圳市索远科技有限公司

  • 联系人:唐小姐(销售)
  • 手机:

    尚未认证,请谨慎交易

  • 会员级别:免费会员
  • 认证类型:未认证
  • 尚未认证,请谨慎交易
  • 主营产品:数显仪表 流量计 传感器 温差控制器 系统集成 压力变送器 长度线速表 交直流电流电压表 三相SCR电力调节器 固态继电器 巡检仪 显示仪表 无纸记录仪 电力仪表 电量表 计数器
  • 公司所在地:广东省深圳市