
                        霍尔电流传感器 
	  霍尔电流传感器主要适用于交流、直流、脉冲等复杂信号的隔离转换,通过霍尔效应原理使变换后的信号能够直接被AD、DSP、PLC、二次仪表等各种采集装置直接采集,广泛应用于电流监控及电池应用、逆变电源及太阳能电源管理系统、直流屏及直流马达驱动、电镀、焊接应用、变频器,UPS伺服控制等系统电流信号采集和反馈控制,具有响应时间快,电流测量范围宽精度高,过载能力强,线性好,抗干扰能力强等优点。 
 
	  
 
		1 开环霍尔电流传感器 
	 
		1.1.1 型号说明
	 
	 
	 
	 
	 
	 
	 
	 
	  
 
		2 闭环霍尔电流传感器 
	 
		    闭环霍尔电流传感器又叫霍尔磁平衡式电流传感器,它是在上述原理的基础,加上了磁平衡原理,即集磁环将原边电流所产生的磁场聚集后,作用于霍尔元件,使其有电压信号输出,经放大输入到功率放大器,输出补偿电流流经次级补偿线圈。级次线圈产生的磁场与原边电流产生的磁场相反,因而补偿了原边磁场,使霍尔输出逐渐减小,当原次级磁场相等时,补偿电流不再增大,这就是磁平衡原理。这种线路主要由磁电转换部分、放大电路部分及驱动补偿线路部分等组成。
	 
		2.1 型号说明
	 
	 
	 
	  
 
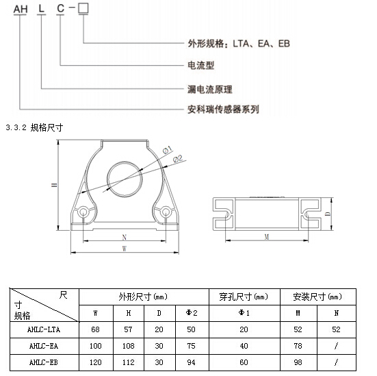
		3 直流漏电流传感器 
	 
		    直流漏电流传感器是一种利用磁通门原理(Flux gate)将被测直流电流转换成与该电流成比例输出的直流电流或电压信号的测量模块,原副边之间高度绝缘。通常输出标准的直流DC 4-20mA、 DC0-5V、DC0-10V等信号,此标准信号可以被多种采集设备采集,如PLC、RTU、DAS卡等,用于多种电流监控的场合。漏电流传感器环绕安装在直流回路的正负出线上,当装置运行时,实时检测各支路传感器输出的信号,当支路绝缘情况正常时,流过传感器的电流大小相等,方向相反,其输出信号为零;当支路有接地时,漏电流传感器有差流流过,传感器的输出不为零。因此通过检测各支路传感器的输出信号,就可以判断直流系统接地支路。该原理选线精度高,不受线路分布电容的影响。
	 
		3.3.1 型号说明
	 
	 
	 
	  
 
		4 直流电压传感器 
	 
		    ACTDS系列直流电压传感器是一种利用光电隔离原理将被测直流电压转换成将原边电压转换成与原边电压成比例输出的直流电流或直流电压信号的测量模块,原副边之间高度绝缘,具有高精确度、高线性度、高集成度、体积小结构简单、长期工作稳定且适应各种工作环境的特点。广泛地应用在电力、石油、煤矿、化工、铁路、通信、楼宇自控等行业的电气设备的系统控制及检测。
	 
		★用于测量直流电压
	 
		★响应速度快
	 
		★过载能力强 
	 
		★精确度高
	 
		★DIN导轨安装
	 
		★原副边3.5kV高度绝缘
	 
	 
	 
	
                        
	
 
 
 
 


 

 

 

 

 
	
 
 
 
 
	
 
 
 
 
	
 
 
 
 
                         
                    
*您的姓名:
*联系手机:
固话电话:
E-mail:
所在单位:
需求数量:
*咨询内容: