
轴用旋转齿形滑环式组合封密封圈TB3-I
TB3-I旋转轴用滑环式组合密封适用于轴用液压与气动旋转运动密封。系增强聚四氟乙烯PTFE(自主配方)齿形滑环与橡胶O形圈组合而成;适用于液压与气动旋转轴用单向密封,可用于水压密封,分为TB3-I(标准型)和TB3-IA(高速型),TB3-IB特殊的唇口设计即使用于气压往复或旋转密封也具有良好的密封效果和极低的摩擦阻力。
按工作条件不同,可采用不同材质的O形橡胶圈及滑环。采用多组串联或单组密封均可。
工况条件
TB3-I(标准型) TB3-IA(高速型)
压力:≤70MPa 压力:≤30MPa
速度:≤2 m/s 速度:≤6 m/s
温度:-45~+200(取决于O形圈材质) 温度:-45~+200(取决于O形圈材质)
介质:液压油、气、水、乳化液等 介质:液压油、气、水、乳化液等
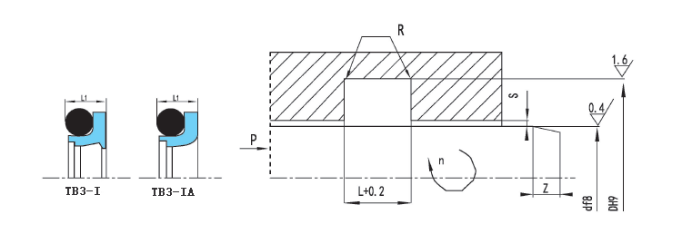
安装尺寸图
| 轴径d f8 | 沟槽底径 | 沟槽宽度 | 密封件高度 | 圆角 | 间隙Smax | 倒角 | O形圈截面d 0 | ||||
| 标准型 | 重载型 | 轻载型 | D H9 | L+0.2 | L1 | Rmax | <10MPa | <20MPa | <40MPa | Zmin | |
| TB3-I | TB3-IA | TB3-IB | |||||||||
| — | — | 5~15.9 | d+4.5 | 3.1 | 2.8 | 0.3 | 0.3 | 0.2 | 0.15 | 3 | 1.8 |
| 5~15.9 | — | 16~38.9 | d+6.3 | 4 | 3.7 | 0.4 | 0.4 | 0.25 | 0.15 | 4 | 2.65 |
| 16~38.9 | 5~15.9 | 39~107.9 | d+8.2 | 5.2 | 4.7 | 0.4 | 0.4 | 0.25 | 0.2 | 5 | 3.55 |
| 39~107.9 | 16~38.9 | 108~670.9 | d+11.7 | 7.6 | 7.1 | 0.5 | 0.5 | 0.3 | 0.2 | 7 | 5.3 |
| 108~670.9 | 39~107.9 | 671~999 | d+15.5 | 9.6 | 8.9 | 0.6 | 0.6 | 0.35 | 0.25 | 10 | 7 |
| 671~999 | 108~670.9 | 1000~1599 | d+19.4 | 12.1 | 11.3 | 0.7 | 0.7 | 0.5 | 0.3 | 12 | 8.6 |
| 1000~1599 | 671~999 | ≥1600 | d+22 | 14.8 | 13.5 | 0.8 | 0.8 | 0.6 | 0.4 | 15 | 10 |
| ≥1600 | 1000~1599 | — | d+26 | 17.8 | 16.3 | 1 | 1 | 0.7 | 0.6 | 20 | 12 |
| 注:1.轴径d≤30mm,建议采用开式沟槽。2.建议密封旋转轴表面硬度HRC≥55。 | |||||||||||
车削加工,无需模具 交货快,精度高 尺寸稳定 下单前请先与我司客服人员沟通确认!!
| 订货资料(单位:mm) | ||||||||
| 订货型号 | 尺寸 | 订货型号 | 尺寸 | |||||
| df8 | DH9 | L+0.2 | df8 | DH9 | L+0.2 | |||
| TB3-I-8*2.65 | 8 | 14.3 | 4 | TB3-I-160*7 | 160 | 175.5 | 9.6 | |
| TB3-I-10*2.65 | 10 | 16.3 | 4 | TB3-I-170*7 | 170 | 185.5 | 9.6 | |
| TB3-I-12*2.65 | 12 | 18.3 | 4 | TB3-I-180*7 | 180 | 195.5 | 9.6 | |
| TB3-I-15*2.65 | 15 | 21.3 | 4 | TB3-I-190*7 | 190 | 205.5 | 9.6 | |
| TB3-I-16*3.55 | 16 | 24.2 | 5.2 | TB3-I-200*7 | 200 | 215.5 | 9.6 | |
| TB3-I-18*3.55 | 18 | 26.2 | 5.2 | TB3-I-220*7 | 220 | 235.5 | 9.6 | |
| TB3-I-20*3.55 | 20 | 28.2 | 5.2 | TB3-I-230*7 | 230 | 245.5 | 9.6 | |
| TB3-I-22*3.55 | 22 | 30.2 | 5.2 | TB3-I-240*7 | 240 | 255.5 | 9.6 | |
| TB3-I-24*3.55 | 24 | 32.2 | 5.2 | TB3-I-250*7 | 250 | 265.5 | 9.6 | |
| TB3-I-25*3.55 | 25 | 33.2 | 5.2 | TB3-I-260*7 | 260 | 275.5 | 9.6 | |
| TB3-I-28*3.55 | 28 | 36.2 | 5.2 | TB3-I-270*7 | 270 | 285.5 | 9.6 | |
| TB3-I-30*3.55 | 30 | 38.2 | 5.2 | TB3-I-280*7 | 280 | 295.5 | 9.6 | |
| TB3-I-32*3.55 | 32 | 40.2 | 5.2 | TB3-I-300*7 | 300 | 315.5 | 9.6 | |
| TB3-I-35*3.55 | 35 | 43.2 | 5.2 | TB3-I-310*7 | 310 | 325.5 | 9.6 | |
| TB3-I-36*3.55 | 36 | 44.2 | 5.2 | TB3-I-320*7 | 320 | 335.5 | 9.6 | |
| TB3-I-38*3.55 | 38 | 46.2 | 5.2 | TB3-I-330*7 | 330 | 345.5 | 9.6 | |
| TB3-I-40*5.3 | 40 | 51.7 | 7.6 | TB3-I-340*7 | 340 | 355.5 | 9.6 | |
| TB3-I-42*5.3 | 42 | 53.7 | 7.6 | TB3-I-350*7 | 350 | 365.5 | 9.6 | |
| TB3-I-45*5.3 | 45 | 56.7 | 7.6 | TB3-I-360*7 | 360 | 375.5 | 9.6 | |
| TB3-I-50*5.3 | 50 | 61.7 | 7.6 | TB3-I-370*7 | 370 | 385.5 | 9.6 | |
| TB3-I-55*5.3 | 55 | 66.7 | 7.6 | TB3-I-380*7 | 380 | 395.5 | 9.6 | |
| TB3-I-56*5.3 | 56 | 67.7 | 7.6 | TB3-I-400*7 | 400 | 415.5 | 9.6 | |
| TB3-I-60*5.3 | 60 | 71.7 | 7.6 | TB3-I-450*7 | 450 | 465.5 | 9.6 | |
| TB3-I-63*5.3 | 63 | 74.7 | 7.6 | TB3-I-480*7 | 480 | 495.5 | 9.6 | |
| TB3-I-65*5.3 | 65 | 76.7 | 7.6 | TB3-I-500*7 | 500 | 515.5 | 9.6 | |
| TB3-I-70*5.3 | 70 | 81.7 | 7.6 | TB3-I-530*7 | 530 | 545.5 | 9.6 | |
| TB3-I-75*5.3 | 75 | 86.7 | 7.6 | TB3-I-550*7 | 550 | 565.5 | 9.6 | |
| TB3-I-80*5.3 | 80 | 91.7 | 7.6 | TB3-I-580*7 | 580 | 595.5 | 9.6 | |
| TB3-I-90*5.3 | 90 | 101.7 | 7.6 | TB3-I-600*7 | 600 | 615.5 | 9.6 | |
| TB3-I-95*5.3 | 95 | 106.7 | 7.6 | TB3-I-650*7 | 650 | 665.5 | 9.6 | |
| TB3-I-100*5.3 | 100 | 111.7 | 7.6 | TB3-I-670*7 | 670 | 685.5 | 9.6 | |
| TB3-I-105*5.3 | 105 | 116.7 | 7.6 | TB3-I-700*8.6 | 700 | 719.4 | 12.2 | |
| TB3-I-110*7 | 110 | 125.5 | 9.6 | TB3-I-800*8.6 | 800 | 819.4 | 12.2 | |
| TB3-I-115*7 | 115 | 130.5 | 9.6 | TB3-I-900*8.6 | 900 | 919.4 | 12.2 | |
| TB3-I-120*7 | 120 | 135.5 | 9.6 | TB3-I-1000*10 | 1000 | 1022 | 14.8 | |
| TB3-I-125*7 | 125 | 140.5 | 9.6 | TB3-I-1200*10 | 1200 | 1222 | 14.8 | |
| TB3-I-130*7 | 130 | 145.5 | 9.6 | TB3-I-1400*10 | 1400 | 1422 | 14.8 | |
| TB3-I-140*7 | 140 | 155.5 | 9.6 | TB3-I-1500*10 | 1500 | 1522 | 14.8 | |
| TB3-I-150*7 | 150 | 165.5 | 9.6 | TB3-I-1600*12 | 1600 | 1626 | 17.8 | |
| 注:所需规格不在此表,请与我公司联系。 | ||||||||