
CLK扩散式旋风除尘器特别推荐产品
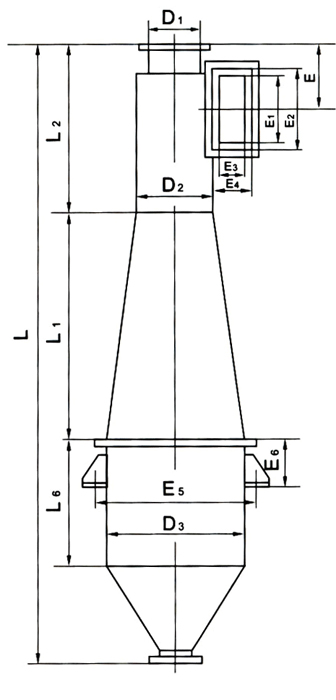
CLK型扩散式旋风除尘器筒身呈倒圆锥形,因而减少了含尘气体自筒身中心短路到出口去的可能性,并装有圆锥形的反射屏,防止两次气流将已经分离下来的粉尘重新卷起,被上升气流带出,它具有除尘效率高,结构简单,加工制造容易,投资低和压力损失适中等优点。
CLK型扩散式旋风除尘器适用于冶金、铸造、建材、化工粮食、水泥等行业中,捕集干燥的非纤维性颗粒状粉尘和烟尘除尘,可做回收物料设备使用。
*您的姓名:
*联系手机:
固话电话:
E-mail:
所在单位:
需求数量:
*咨询内容:
尚未认证,请谨慎交易