电动分度盘/最新款电动分度盘
- 价 格:
面议 /
- 供 应 地:广东省深圳市
- 发布公司:深圳市惠士顿科技有限公司
- 产品型号:HSD-300RT
- 品 牌:惠士顿
- 发布日期:2015/5/15 16:24:06
- 联系人QQ:1047271782

详细说明
电动分度盘/最新款电动分度盘
可立卧两用,自动旋转,速度快,定位精准,是自动化机械设备附件,实行机械自动化量产的一个气动转盘,减少人工操作,减少开资成本,提高工作效率。
加强型气动分度盘,是我们最新款气动分度盘,是继我们普通气动分度盘的升级版。
2013年畅销款加强型气动分度盘,自带防水,无冲击力,稳定性强无累计误差,运行平稳,不会有充过头现象。
电动分度盘特性
1、可正反转、正反运行。
2、可立卧两用,承载重量大。
3、可制作等分加工2、3、4、6、8、10......
4、与自动化设备配套使用,形成自动加工、生产、装配、钻孔攻牙、组装。
5、采用日本东风减速电机,耐温型号,高温时同样可以保持正常运转
6 、机芯机构采用马耳它十字机芯原理
7、机芯采用一组减速齿轮,两组减速机,增加了稳定性。
8、插销锁紧装置,旋转一个工位时自动锁紧,无移位,无间隙。
9、精度高,水平精度及旋转精度(0.02mm),运行平稳、顺畅,无抖动冲过头现像。
我们电动分度盘的优势:
1.操作简单,安装快捷:内置减速电机,无需配定位装置,出厂前我们配好控制器,客户拿回去只须给一个信号即可运行。
2.定位精准,无乱码现象:在运行过程中如果出现断电的情况,无需重新找原点,即可立即转到下一个工位,可以定位锁紧,而伺服电机则要重新找原点,不能立即转到下一个工位。
3.CNC加工方式:整机采用CNC数控机床加工方式,通过程序编码加工,精度高,表面通过磨床内圆磨外圆磨,平面精度高。
4. 自带防水功能:自带密封圈,防止长时间工作时油及水渗入分度盘内部,引起内部生锈及受潮,增加了分度盘的使用寿命及耐磨性。
5.结构性不同(可立卧两用):
市面上的产品和我们普通型的产品一样,属于悬浮式结构,只能是立着用或是卧着用,不能立卧两用,我们增强型系列的产品是整机一体式的,既可以立着用又可以平躺着用(即立卧两用),倾斜角度用都没问题,普通型的是达不到这个要求的。
惠士顿专业生产各式分度盘,气动旋转盘,气动等分盘,气动旋转台,电动分度盘,气动分度头
电动分度盘型号:电动200型及电动300型
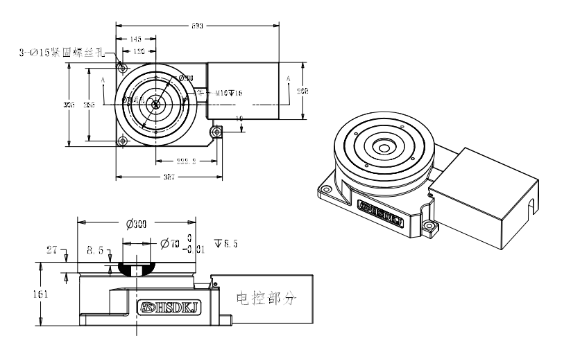
关于更多电动分度盘的规格尺寸,安装图纸,三维图纸,CAD图纸,图片等参数欢迎来电咨询:
18679744772 段小姐QQ:973210953
深圳市惠士顿科技有限公司是一家专业从事烙印机、烫印机、热压机、高性能冲压机、塑料封口机、电线烫号机、塑胶烫号机、轮胎平衡打标机等机械的研发生产销售的公司,力求为客户提供完整解决方案的专业化公司。公司一直致力于机械研发,力求为客户提供专业和多元化的服务,随着产品需求的多样化,惠士顿科技公司可为客户量身定制最高性能的机械产品,我们始终坚持高质量的产品、良好的售后服务,满足客户的需求。
公司秉承“以人为本、科技创新”的经营宗旨,始终坚持“诚信务实、服务至上”的企业理念,以热诚,负责的态度为客户提供售前、售后服务。惠士顿科技有限公司,在诚信、敬业、高效、和谐的企业精神指引下,不断进取创新惠士顿科技提供代加工服务,加工范围:高档木贺卡、个性吊牌、木钥匙扣、服装木吊牌、木台历、木广告牌、皮标牌、酒盒,木制及塑胶工艺品的烙画及烫金。
卖家名片Cards
卖家名片
联系人:刘小姐(销售代表)
手机:13168093960
邮箱:1047271782@qq.com
免责声明:交易有风险,请谨慎交易,以免因此造成自身的损失,本站所展示的信息均由企业自行提供,内容的真实性、准确性和合法性由发布企业负责。本站对此不承担任何保证责任。