您好,欢迎来到商国互联!

收藏本站

商国互联

点击查看优质供应商

当前位置:商国互联首页> 产品库 > 环保、水处理 > 除尘设备 > 旋风类除尘装置

旋风除尘器典型CLT/A型旋风除尘器 

  • 价 格: 面议 /
  • 供 应 地:河北省沧州市
  • 发布公司:泊头市昊天环保配件有限公司
  • 产品型号:CLT/A
  • 品 牌:昊天
  • 发布日期:2011/9/26 14:38:27
  • 联系人QQ:1910945561 点击这里给我发消息

详细说明

产品说明Explain

公司简介Content


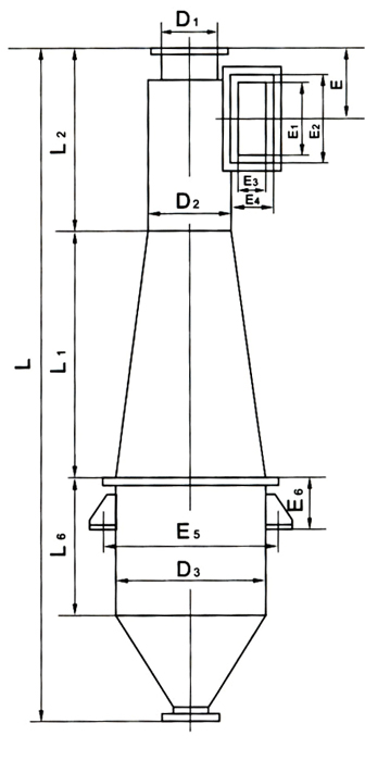
        CLT/A型旋风除尘器是XLT型旋风除尘器的一种改进型.其结构特点是具有向下倾斜的螺旋切线型气体进口,顶板为螺旋型的导向板.导向板的角度越大,压力损失越小,但除尘效率降低.一般情况下,导向板角度采用其8度-20度,CLT/A型旋风除尘器采用15度.由于气体从切向进入,又有导向板的作用,可消除进入气体向上流动而形成的小旋涡气流,减少动能消耗,提高除尘效率.它的另一个特点是筒体细长的锥体较长,而且锥体的锥角较小,能提高除尘效率,但压力损失也较高.
        CLT/A型旋风除尘器是由旋风筒体,集灰斗和蜗壳(或集风帽)三部分组成,按筒体个数区分,有单筒,双筒,三筒,六筒等五种组合,每种组合有两种出风形式:Ⅰ型水平出风和Ⅱ型(上部出风)。对于Ⅰ型双筒组合者,另有正中进出风和旁侧进出风两种组合形式,Ⅰ型单筒和三筒只有旁侧时出风一种形式,四筒和六筒组合则只有正中进出风形式,对于二型各种组合,可采用上述Ⅰ型中的任意一种进风位置。

免责声明:交易有风险,请谨慎交易,以免因此造成自身的损失,本站所展示的信息均由企业自行提供,内容的真实性、准确性和合法性由发布企业负责。本站对此不承担任何保证责任。
商国互联供应商 品质首选

泊头市昊天环保配件有限公司

  • 联系人:唐凤燕(经理)
  • 联系人QQ:1910945561 点击这里给我发消息
  • 手机:

    尚未认证,请谨慎交易

  • 会员级别:免费会员
  • 认证类型:未认证
  • 尚未认证,请谨慎交易
  • 主营产品:除尘器 提升机 输送机 给料机 旋风除尘器 TH型斗式提升机 螺旋输送机 埋刮板输送机 单机除尘器 TD型斗式提升机 管式螺旋输送机 通风蝶阀 布袋除尘器 NE型斗式提升机 链式输送机 加湿搅拌机
  • 公司所在地:河北省沧州市