
供应华凯微433M SX1278 LoRaTM无线模块
一:概述
HKW51-4S无线模块是采用SEMTECH公司最新的LoRaTM调制技术的无线芯片,该模块具有超远距离扩频通讯,高抗干扰性和最大限度的减小电流功耗。采用LoRaTM模式可以实现-148dbm的高灵敏度,并加上集成的+20dbm的功率输出,可以PK同行业的任何一种无线模块,该模块适用于任何环境复杂的无线数据传输应用,比如:无线抄表,智能家居控制,汽车电子,安防报警,工业监控与控制系统,远距离农业灌溉控制系统等应用。
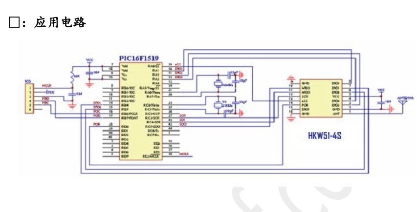
三:产品应用






二:产品特征:
1:发射频率:433MHZ(可定制)
2: FSK/GFKS技术,LoRa(远程)扩频技术
3:+20dbm输出功率
4:波特率可达300 kbps
5:高接收灵敏度-139dbm.
6:低功耗接受电流:10-12mA
7: 超强抗干扰性(信道抑制比:56db)
8: ISSI 信道侦测功能
9: 传输模式:FIFO/直接模式(推荐FIFO包模式)
10: 256位FIFO TX/RX
11:ISM多波段, 不需要申请频率免费使用.
12:智能复位、低电压监测,定时唤醒、低功耗模式、休眠模式
13:传输距离空旷可达5KM。
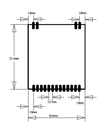
14:尺寸:19*22.4mm
1:无线抄表(水表、电表、气表)
2:无线点菜机
3:油田、工矿、工地、工厂等控制系统
4:工业数据采集、传输、智能控制系统
5:无线报警系统
6:智能家居系统
7:医疗、医院呼叫系统
8:楼宇安防警报系统
*您的姓名:
*联系手机:
固话电话:
E-mail:
所在单位:
需求数量:
*咨询内容: