
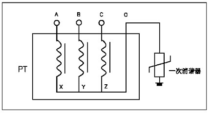
LXQD-35kV消谐电阻器接线图中汇电气优质服务
LXQD-35kV消谐电阻器接线图中汇电气优质服务
还在找LXQ一次消谐器吗?中汇电气研发的一次消谐器采用电气性能优异、超细颗粒的SiC为基材;经大吨位的压机压制成高密度的、圆饼状的坯体;在还原气氛下;经上千度的高温烧结而成。裸露的电阻器表面结构经特殊处理,能经受日晒雨淋,可直接用于户内外 。 很多大型企业为了给项目提供一个良好的保障,都在选购中汇电气生产的一次消谐器。众多国内发电厂、变电站及钢铁、煤炭、石油化工等大型厂矿企业的电力系统均采购了中汇电气生产的一次消谐器。
中汇电气10年专业生产一次消谐器、LXQ一次消谐器它的体积小、重量轻、散热快、强度高、便于安装,很受用户青睐。 对劣质LXQ一次消谐器说不,对偷工省料说不,对以次充好说不,对欺瞒客户说不,对虚高价格说不!
LXQD-35kV消谐电阻器接线图中汇电气优质服务有如下特点:
(1) LXQⅡ系列消谐电阻器结构设计从提高消谐器的热容量出发,非线性电阻体用SiC为基料经大吨位的压机压制成高密度的、圆饼状的坯体,在还原气体中,经上千度的高温烧结而成,裸露的消谐器表面结构经特殊处理,能经受日晒雨淋,可直接用于户内外。
(2) 消谐器体积小、重量轻、散热快、强度高,便于安装。
(3) 用交流参数表征消谐器的电气参数。工频0.3mA(峰值)下的参数反映电网正常运行情况下消谐器上的电压;工频3mA(峰值)下的参数反映电网单相接地情况下消谐器上的电压。交流电流容易获得,方便用户进行复测。
(4) LXQ(D)Ⅱ型采用了分段变参数措施,提供了一个电压控制单元(放电管),使消谐器在正常工作电流段,仍保持原有的伏安特性,从而有效限制消谐器两端电压,将电压限制在弱绝缘PT的绝缘耐受等级以下,从而有效保护中性点绝缘。
一次消谐器使用环境
1.在户外,装在压变的就近边上,消谐器虽有防雨功能,不宜直接经受日晒雨淋;
2.环境温度-40℃~ 60℃;
3.交流电力系统频率为50HZ或60HZ;
4.地震烈度8度以下地区。
LXQ一次消谐器体积小、重量轻、散热快、强度高、便于安装,很受用户青睐。
用途:广泛应用于发电厂、变电站及钢铁、煤炭、石油化工等大型厂矿企业的电力系统。
正在使用该产品的客户:
沈阳春兴成套电器、天津开发区通泰工贸发展有限公司、宜昌铸辉科技开发有限责任公司、广西柳电电气股份有限公司、成都世博源电气自动化有限公司等。
了解更多信息进入中汇电气官网 http://www.cszhonghui.com http://www.cszhonghui.com
中汇电气——湖南LXQ一次消谐器厂家,10年专业生产消谐器,用心服务于成套电气厂及各应用领域.湖南中汇电气专业生产LXQ一次消谐器厂家,数百款湖南一次消谐器为您量身定制,顾问热线:0731-88462888
15388962368
联系人:夏小姐(销售经理)
手机:15388962368
邮箱:2851635915@qq.com
*您的姓名:
*联系手机:
固话电话:
E-mail:
所在单位:
需求数量:
*咨询内容: