
两级跑偏开关HFKPT1-20-35、防偏开关
两级跑偏开关HFKPT1-20-35、防偏开关
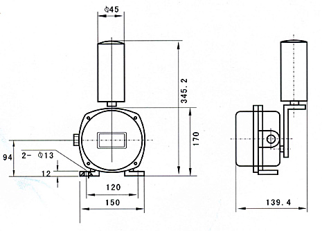
两级跑偏开关HFKPT1-20-35、防偏开关的详细说明

*您的姓名:
*联系手机:
固话电话:
E-mail:
所在单位:
需求数量:
*咨询内容: