RS-WS-YJ-W采用瑞士进口原装传感器(精度、寿命、一致性非国产传感器能比)设备通过山东省计量科学研究院计量校准鉴定。
产品完全符合GSP新规中关于测点终端的要求,本机带存储、能够声光报警(内部蜂鸣器鸣叫、液晶屏幕背光闪烁),某些客户想声光报警更明显,可选本店带外置报警器的产品,若客户想用自己的报警器可选带继电器触点的产品。若客户想在值班室统一进行声光报警,可选本公司的任意位置报警器(只要任意一台测点终端报警,任意位置声光报警器就会报警)。
1.2. 功能特点
1、采用瑞士原装进口传感器,测量精度高、抗干扰能力强 。
2、液晶实时显示温度、湿度、时间和日期及剩余存储容量。
3、可通过液晶设置报警参数、通信参数、存储参数。
4、监控数据实时记录,内置存储器,最大可记录86000组温湿度数据。
5、多种记录模式满足各种要求,设备连接监控平台后可将温湿度记录数据按时间顺序上传。
6、可通过监控平台进行温湿度报警参数、时间日期、记录参数等参数的远程召测及设置。
7、内置蜂鸣器可实现自身报警功能,可进行温湿度阀值及回差设置。
8、可任意关联报警阀值,作为报警触点输出。
9、RS485信号输出,最远通信距离可达2000米,采用防雷设计,安全可靠。
10、DC9~40V宽电源电压输入。
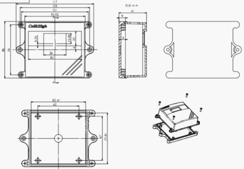
11.外形尺寸110*85*44mm
1.3. 主要技术指标
|
供电 |
DC9~40VDC |
|
通信接口 |
RS485通信接口 |
|
通信协议 |
MODBUS-RTU |
|
通信方式 |
波特率:1200、2400、4800、9600、19200、38400、57600、115200可选 校验方式:无校验、奇校验、偶校验 可选 |
|
温度测量范围 |
-40℃~125℃ |
|
湿度测量范围 |
0~99.9%RH |
|
温度精度 |
±0.3℃ |
|
湿度精度 |
±3.0%RH |
|
报警功能 |
变送器支持声光报警功能、温湿度上下限报警值可通过监控软件远程修改,也可通过按键修改 |
|
日期时间 |
内置时钟芯片,显示屏上有时间显示 |
|
显示数据更新时间 |
1S |
|
记录点数 |
86000条,若按照正常30分钟记录一次,能记录4年,若按照1分钟记录一个点,能记录59天。 |
|
记录间隔 |
1min—60min间隔可通过监控软件远程设置,也可通过按键进行修改 |
|
记录模式 |
AUTO模式:当与电脑正常通信时不记录(由电脑记录),当与电脑通信失败时,开启记录功能 ON模式:只要设备开启就开始记录功能 |
|
数据存储模式 |
循环存储,记录点数达到最大时重新回到第一点开始记录,覆盖原有数据 |
|
存储环境 |
-40℃~80℃ |
|
安装方式 |
壁挂式 |
|
使用环境 |
周围环境不得有强烈振动、强磁场或对产品元件有腐蚀性气体的存在 |
图表1 设备主要技术指标


2. 产品外形尺寸

图表3 设备外形尺寸
厂家直销,发展代理,批量价格详谈,欢迎来电洽谈!
http://www.jnrsmcu.com/
微信搜索“济南仁硕”关注公众号