您好,欢迎来到商国互联!

收藏本站

商国互联

点击查看优质供应商

当前位置:商国互联首页> 产品库 > 电子元器件 > 集成电路 > 电动玩具IC

SD8057T 运动手环充电芯片 超溥型TSOT23-6封装 

  • 价 格: 面议 /
  • 供 应 地:广东省深圳市
  • 发布公司:深圳市奥科迪科技有限公司
  • 产品型号:SD8057T
  • 品 牌:SHOUDING首鼎
  • 发布日期:2018/7/18 13:36:38
  • 联系人QQ:2355504930 点击这里给我发消息

详细说明

产品说明Explain

公司简介Content


SD8057T 运动手环充电芯片 超溥型TSOT23-6封装

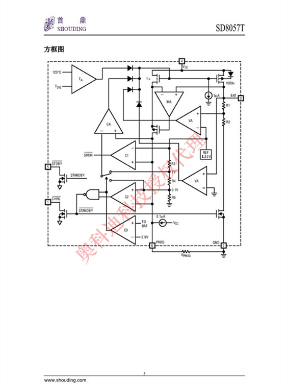
 SD8057T是一款完整的单节锂离子电池充电器,带电池正负极反接保护,兼容大小3mA-500mA充电电流。其采用恒定电流/恒定电压线性控制,薄型TSOT封装与较少的外部元件数目使得 SD8057T成为便携式应用的理想选择。 SD8057T可以适合USB电源和适配器电源工作。由于采用了内部PMOSFET架构,加上防倒充电路,所以不需要外部检测电阻器和隔离二极管。热反馈可对充电电流进行自动调节,以便在大功率操作或高环境温度条件下对芯片温度加以限制。充满电压固定于4.2V,而充电电流可通过一个电阻器进行外部设置。当电池达到4.2V之后,充电电流降至设定值1/10, SD8057T将自动终止充电。当输入电压(交流适配器或USB电源)被拿掉时,SD8057T 自动进入一个低电流状态,电池漏电流在2uA以下。 SD8057T的其他特点包括充电电流监控器、欠压闭锁、自动再充电和两个用于指示充电结束和输入电压接入的状态引脚。
特点
·兼容大小3mA-500mA的可编程充电电流;
·锂电池正负极反接保护;
·无需MOSFET、检测电阻器或隔离二极管;
·用于单节锂离子电池;
·恒定电流/恒定电压操作,并具有可在无过热危
险的情况下实现充电速率最大化的热调节功能;
·可直接从USB端口给单节锂离子电池充电;
·精度达到±1%的4.2V预设充电电压;
·最高输入可达9V;
·自动再充电;
·2个充电状态开漏输出引脚;
·C/10充电终止;
·待机模式下的供电电流为65uA;
·2.9V涓流充电器件版本;
·软启动限制了浪涌电流;
·采用6引脚薄型TSOT-23封装。
绝对最大额定值
·输入电源电压(VCC):-0.3V~12V
·PROG:-0.3V~VCC+0.3V
·BAT:-4.2V~8V
·CHRG:-0.3V~10V
·BAT短路持续时间:连续
·BAT引脚电流:700mA
·PROG引脚电流:800uA
·最大结温:145℃
·工作环境温度范围:-40℃~85℃
·贮存温度范围:-65℃~125℃
·引脚温度(焊接时间10秒):260℃ 
应用
·微型锂电池、充电座、移动电源
·蜂窝电话、PDA、MP3播放器

·蓝牙应用 




 公司一级代理台湾SHOUDING首鼎,南京拓品微,浙江无锡禾芯微,美台品牌等,专营移动电源IC、锂电池充电管理/保护IC、音频功放IC、LED驱动IC、升压IC、代理日本三菱IDC。质量方面保证!价格方面优势!  
主推 锂电池电源管理IC和驱动IC   
SDB628 SB6284 SD6271 GS7001-84 SD4054 SD66124AL  SB8226
SD3302 SD5054 SD5351A SD5358A  SD3362 SD6410 SD6041 SD8016 SD8017 SD8054 SD8055 SD8058 SD8059 SD3361A SD3361C SD2104A SD8223LC SD8223LB SB8223 SD3320 SD6303E50C
 
代理南京拓微   TP4055   TP4056    TP4057  TP4058  TP4059  TP4056M  TP4054 TP5410  TP5100  TP5410  TP4100  TP4101
PAM/DIODES龙鼎微/美台
PAM2861ABR    PAM2861CBR   PAM8403DR  PAM2804AAB010  PAM8908JER   PAM2803AAF095  AL8807MP-13   AL8807W5-7  AL8805W5-7
三菱IGBT模块驱动IC  M57962L  M57962AL  M57959L 

(专营充电式小风扇套料:SDB628 升压IC、SD4056 、TP4056、SD4054、充电管理IC、SD5353A 、XB5353B、SD2301 、充电保护IC 等等)欢迎咨询


各位有需求请联系: 
深圳市奥科迪科技有限公司



卖家名片Cards

卖家名片

深圳市奥科迪科技有限公司

联系人:蔡女士(销售)

手机:13798477800

邮箱:2355504930@qq.com

地址:广东省深圳市福田区华强北华强广场D座21K

电话: 传真:

旺铺

免责声明:交易有风险,请谨慎交易,以免因此造成自身的损失,本站所展示的信息均由企业自行提供,内容的真实性、准确性和合法性由发布企业负责。本站对此不承担任何保证责任。
商国互联供应商 品质首选

深圳市奥科迪科技有限公司

  • 联系人:蔡女士(销售)
  • 联系人QQ:2355504930 点击这里给我发消息
  • 手机: 13798477800
  • 电话:
  • 会员级别:免费会员
  • 认证类型:企业认证
  • 企业证件:已通过企业认证 [已认证]
  • 认证公司:
  • 主营产品:移动电源升压IC 音频功放IC 锂电池充电管理IC
  • 公司所在地:广东省深圳市